Curiosii for ever!
: Car repair manuals for everyone.
Home
>>
Mazda
>>
1995
>>
626 V6-2496cc 2.5L DOHC
>>
Repair and Diagnosis
>>
Powertrain Management
>>
Computers and Control Systems
>>
Description and Operation
>>
Sub-System Descriptions
>>
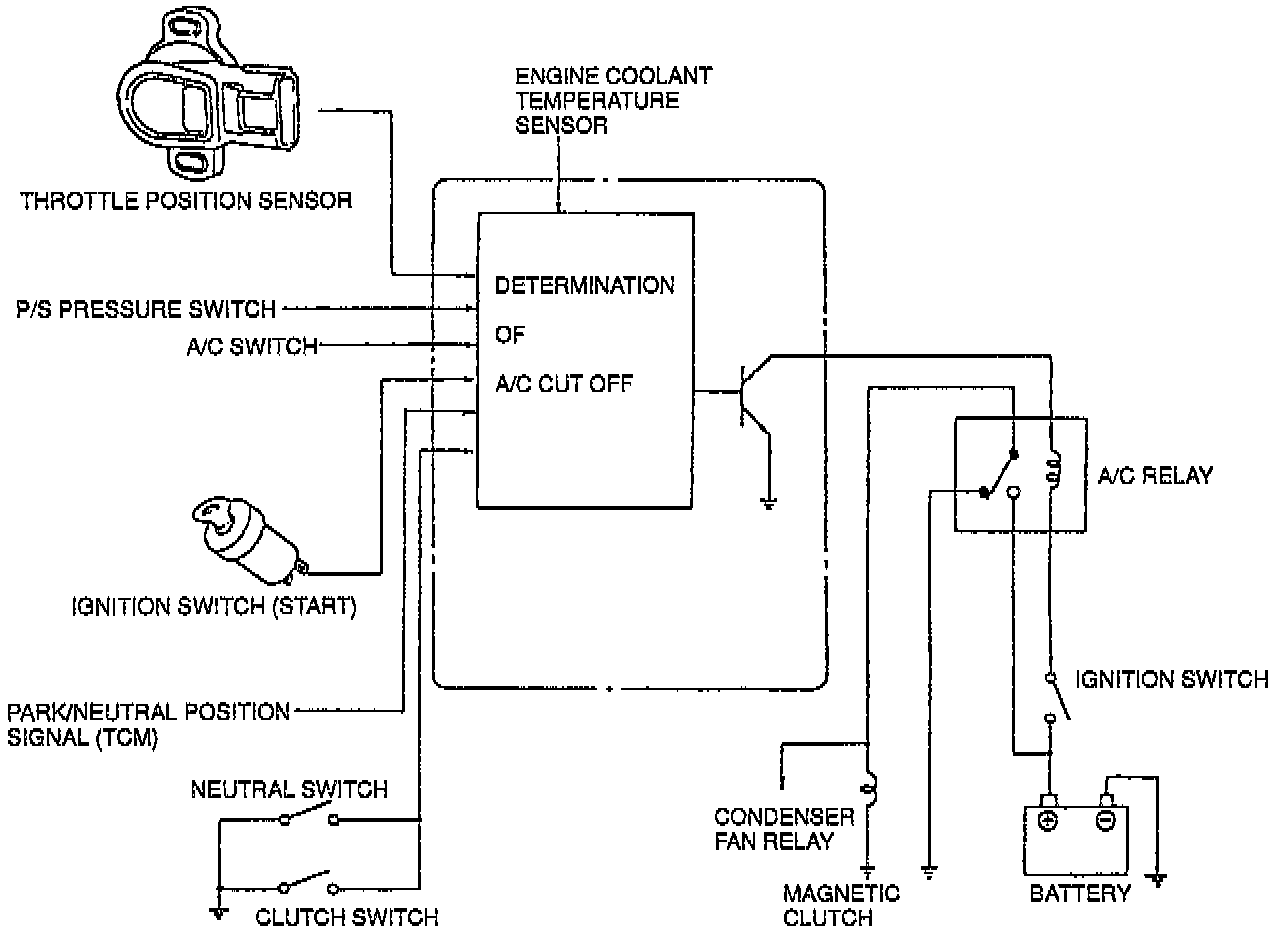
A/C Cutoff System
A/C Cutoff System
DESCRIPTION
An A/C cut off system is used to improve idle smoothness immediately after starting the engine and to improve acceleration performance.
OPERATION
Refer to image for system operation.