Curiosii for ever!
: Car repair manuals for everyone.
Home
>>
Mazda
>>
1995
>>
626 L4-1991cc 2.0L DOHC
>>
Repair and Diagnosis
>>
Powertrain Management
>>
Computers and Control Systems
>>
Sensors and Switches - Computers and Control Systems
>>
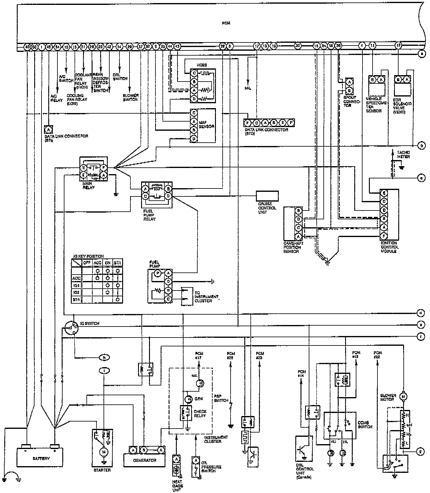
Air Flow Meter/Sensor
>>
Diagrams
>>
Electrical Diagrams
>>
Automatic Trans.
Automatic Trans.