Curiosii for ever!
: Car repair manuals for everyone.
Home
>>
Mazda
>>
1995
>>
626 L4-1991cc 2.0L DOHC
>>
Repair and Diagnosis
>>
Powertrain Management
>>
Computers and Control Systems
>>
Description and Operation
>>
Sub-System Descriptions
>>
Manual Trans.
>>
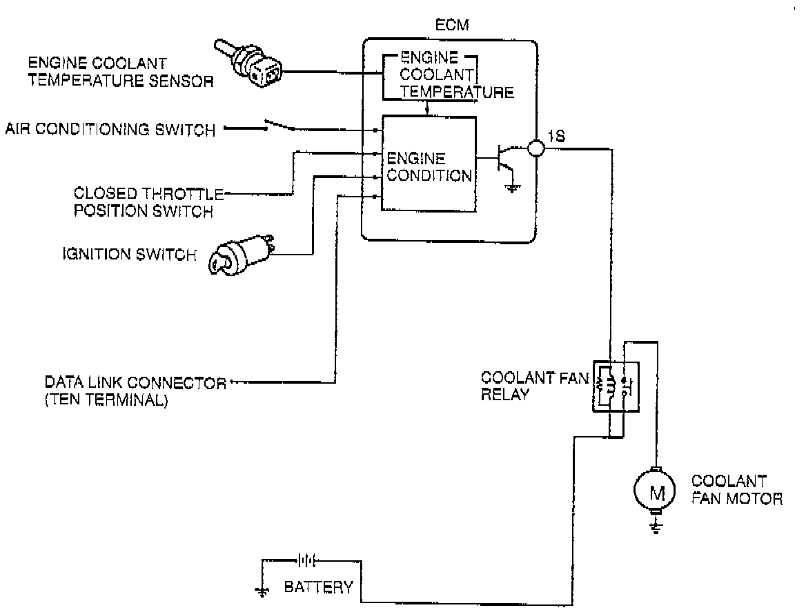
Coolant Fan Control System
Coolant Fan Control System
DESCRIPTION
To improve reliability, the coolant fan is controlled by the ECM. This system consists of the coolant fan motor, fan relays, ECM, and input devices.