Curiosii for ever!
: Car repair manuals for everyone.
Home
>>
Mazda
>>
1995
>>
626 L4-1991cc 2.0L DOHC
>>
Repair and Diagnosis
>>
Powertrain Management
>>
Computers and Control Systems
>>
Description and Operation
>>
Sub-System Descriptions
>>
Manual Trans.
>>
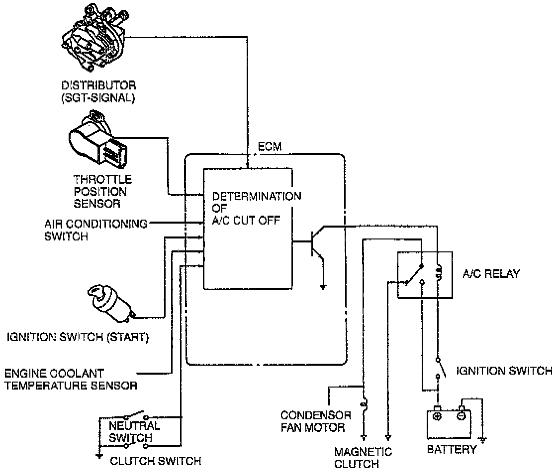
A/C Cutoff System
A/C Cutoff System
DESCRIPTION
An A/C cutoff system is used to improve idle smoothness just after starting the engine and to improve acceleration performance.