Fuel Evaporative System
DESCRIPTION
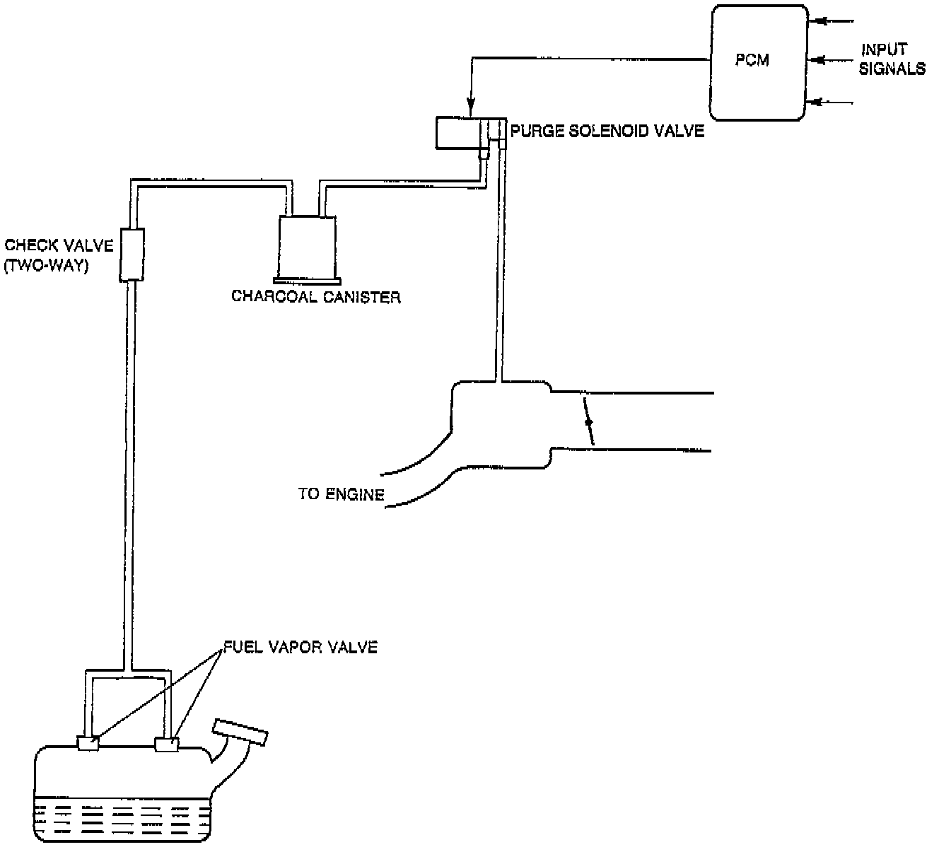
The fuel evaporative system consists of fuel vapor valve, two-way check valve, charcoal canister, purge solenoid valve, PCM, and input devices. The amount of evaporative fumes introduced into the engine and burned is controlled by the solenoid valve to correspond to the engine's operating conditions. To obtain the best engine performance, the solenoid valve is controlled by the PCM.