Curiosii for ever!
: Car repair manuals for everyone.
Home
>>
Mazda
>>
1995
>>
626 L4-1991cc 2.0L DOHC
>>
Repair and Diagnosis
>>
Powertrain Management
>>
Computers and Control Systems
>>
Description and Operation
>>
Sub-System Descriptions
>>
Automatic Trans.
>>
Exhaust System
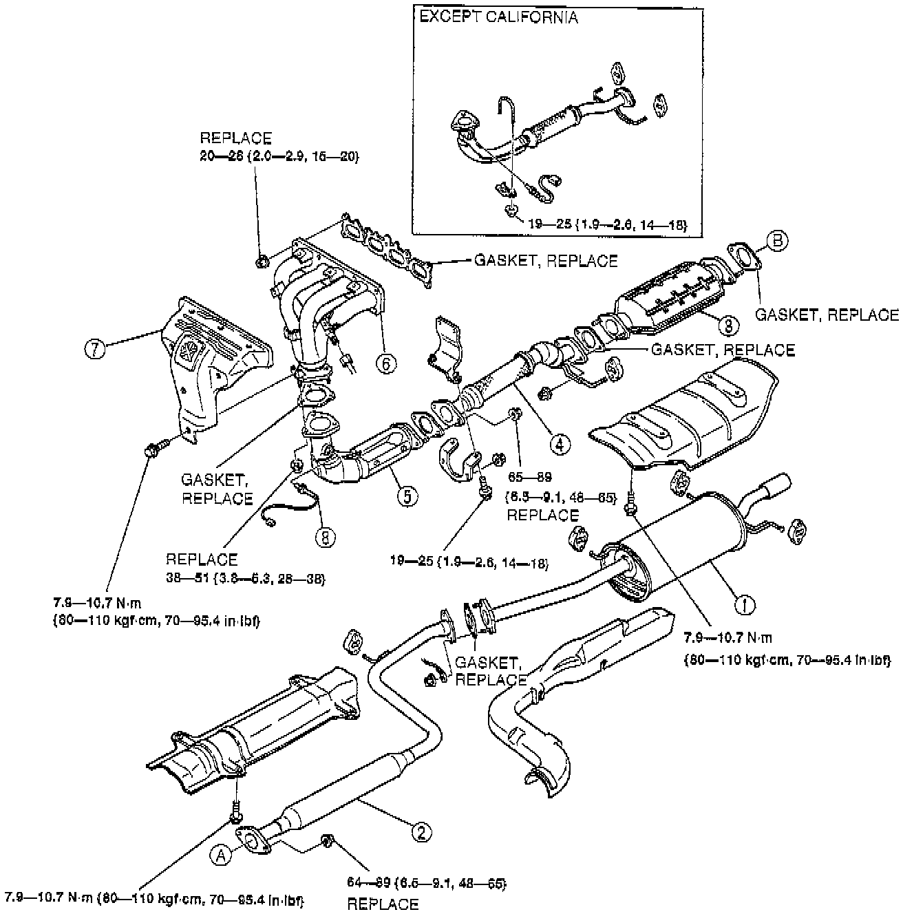
Exhaust System
1.
Main silencer
2.
Presilencer
3.
Three way catalytic converter
4.
Front pipe assembly
5.
Warm up three way catalytic converter (California only)
6.
Exhaust manifold
7.
Exhaust manifold insulator
8.
Heated oxygen sensor