Curiosii for ever!: Car repair manuals for everyone.

Manual Trans.

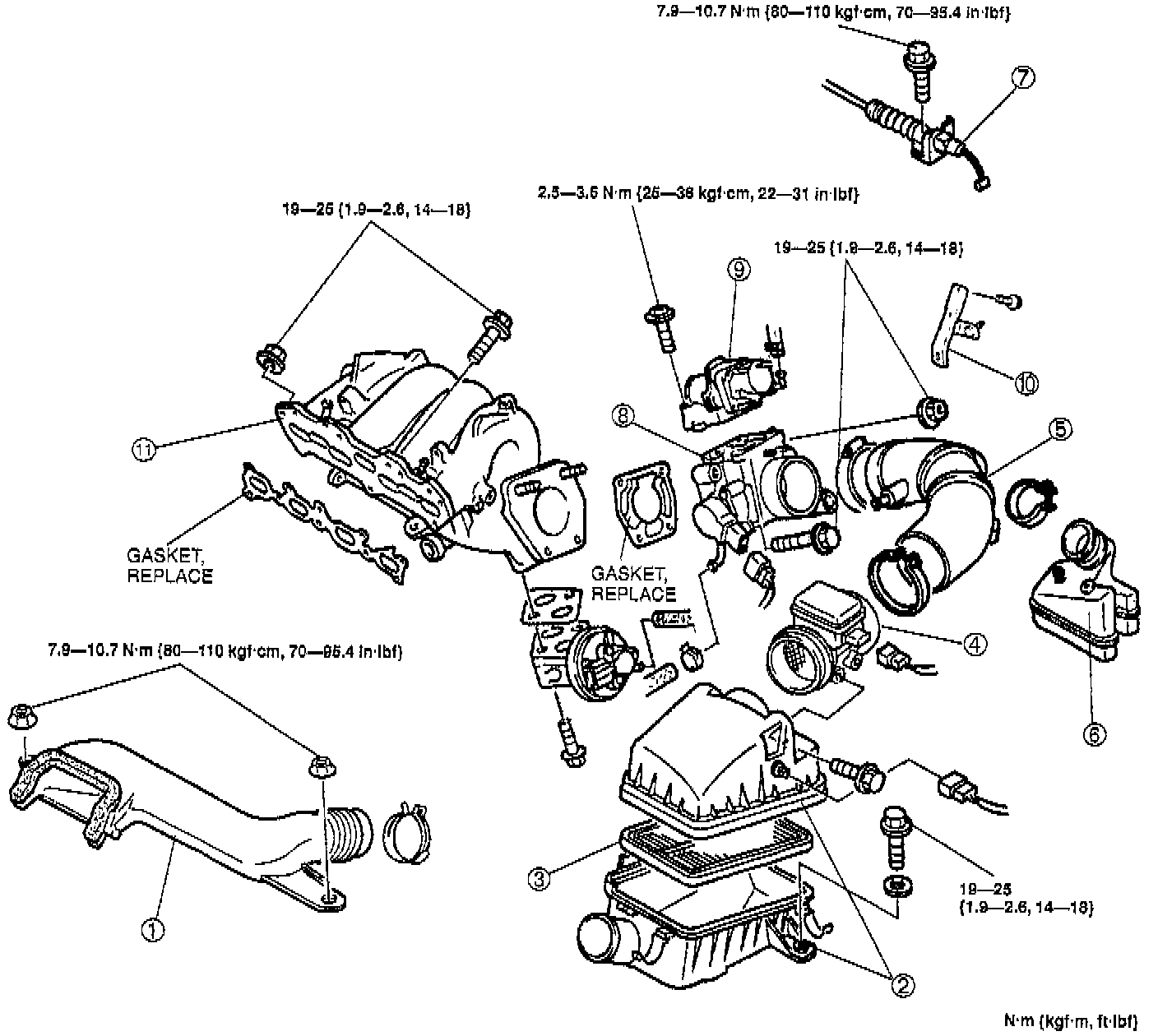
REMOVAL/INSTALLATION
1. Remove in the order shown in the figure.
2. Inspect the intake air system components and repair or replace them as necessary.
3. Install in the reverse order of removal.




1. Fresh air duct
2. Air cleaner
3. Air cleaner element
4. Mass air flow sensor
5. Air hose
6. Resonance chamber Inspect for damage
7. Accelerator cable
8. Throttle body
9. BAC valve
10. Intake manifold bracket
11. Intake manifold