Curiosii for ever!
: Car repair manuals for everyone.
Home
>>
Mazda
>>
1995
>>
626 L4-1991cc 2.0L DOHC
>>
Repair and Diagnosis
>>
Diagrams
>>
Electrical Diagrams
>>
Central Control Module
>>
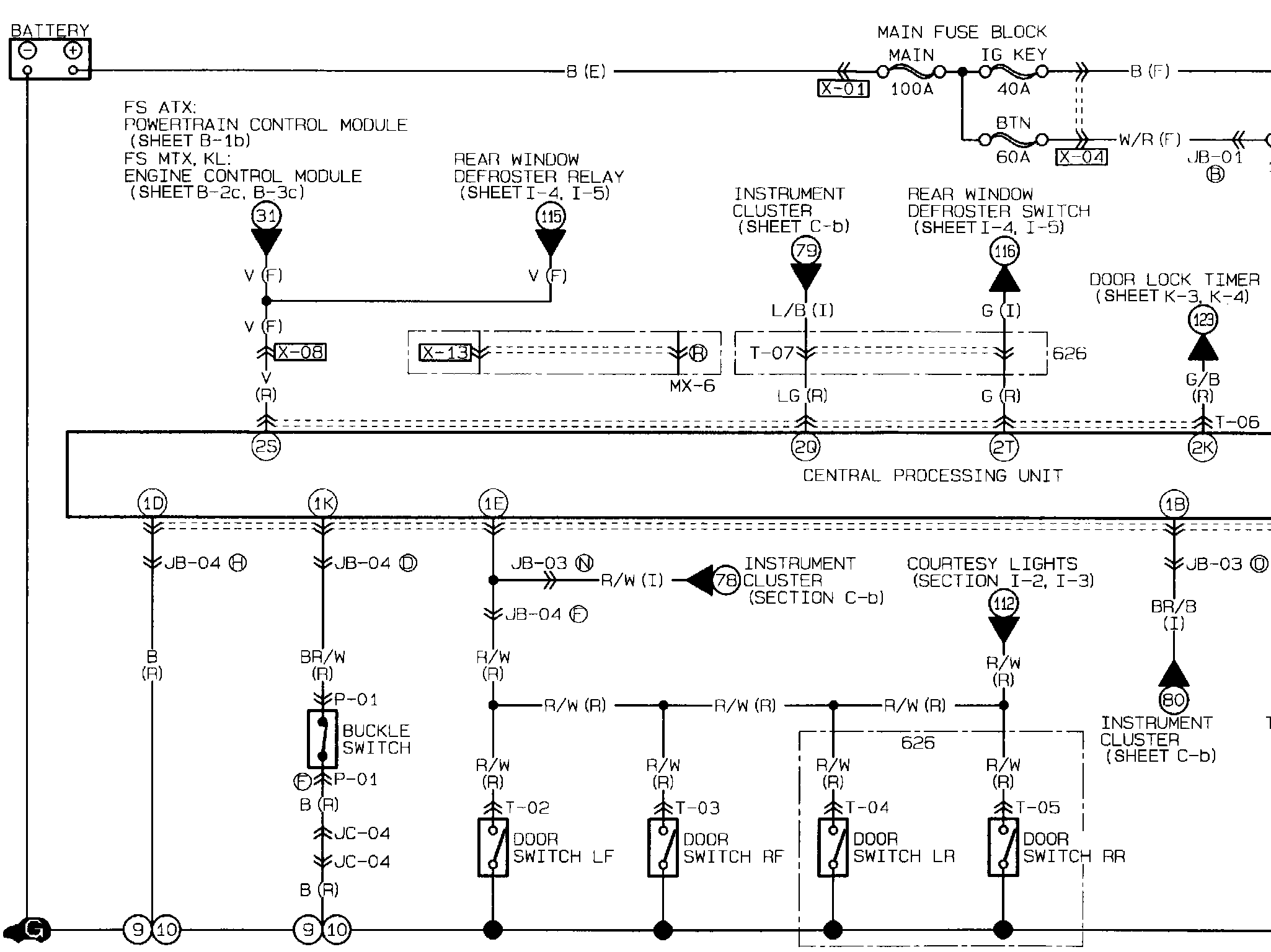
T-A
T-A
+�Central Processing System, Theft-Deterrent System: