Curiosii for ever!: Car repair manuals for everyone.

Ignition Coil: Service and Repair


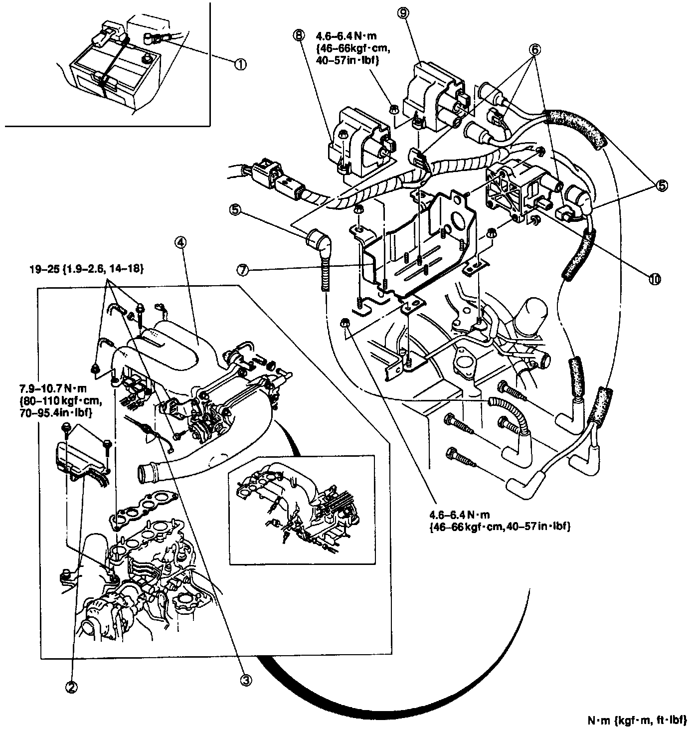
Removal/Installation
1. Remove in the order shown in the figure.
2. Install in the reverse order of removal.




1. Battery negative cable
2. Pressure chamber
3. Accelerator cable
4. Extension manifold
5. High-tension lead
6. Connector
7. Ignition coil bracket
8. Ignition coil (Trailing No.1)
9. Ignition coil (Leading)
10. Ignition coil (Trailing No.2)