Curiosii for ever!: Car repair manuals for everyone.

Air Injection Control Valve: Service and Repair

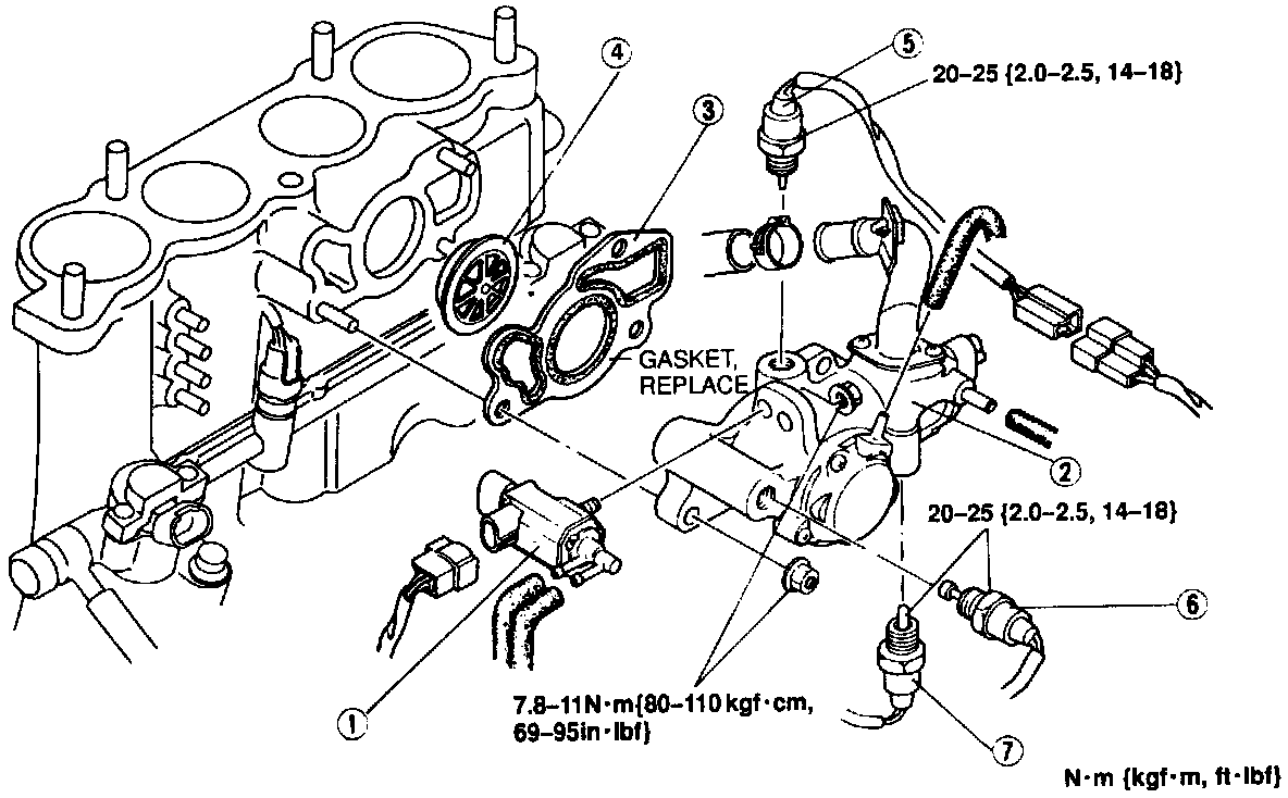
Removal/Installation
1. Remove the extension manifold.
2. Remove in the order shown in the figure below.
3. Install in the reverse order of removal.




1. Solenoid valve (Turbo control)
2. Air control valve
3. Gasket
4. Check valve (Port air)
5. Solenoid valve (Port air bypass)
6. Solenoid valve (Split air bypass)
7. Solenoid valve (Relief2)