Curiosii for ever!: Car repair manuals for everyone.

Heater Core: Service and Repair

1. Disarm radio coded theft protection as outlined in Technician Safety Information.
2. Disconnect battery ground cable.
3. Drain coolant, then disconnect heater hoses at heater core.
4. Remove instrument panel as outlined in Dash Panel.
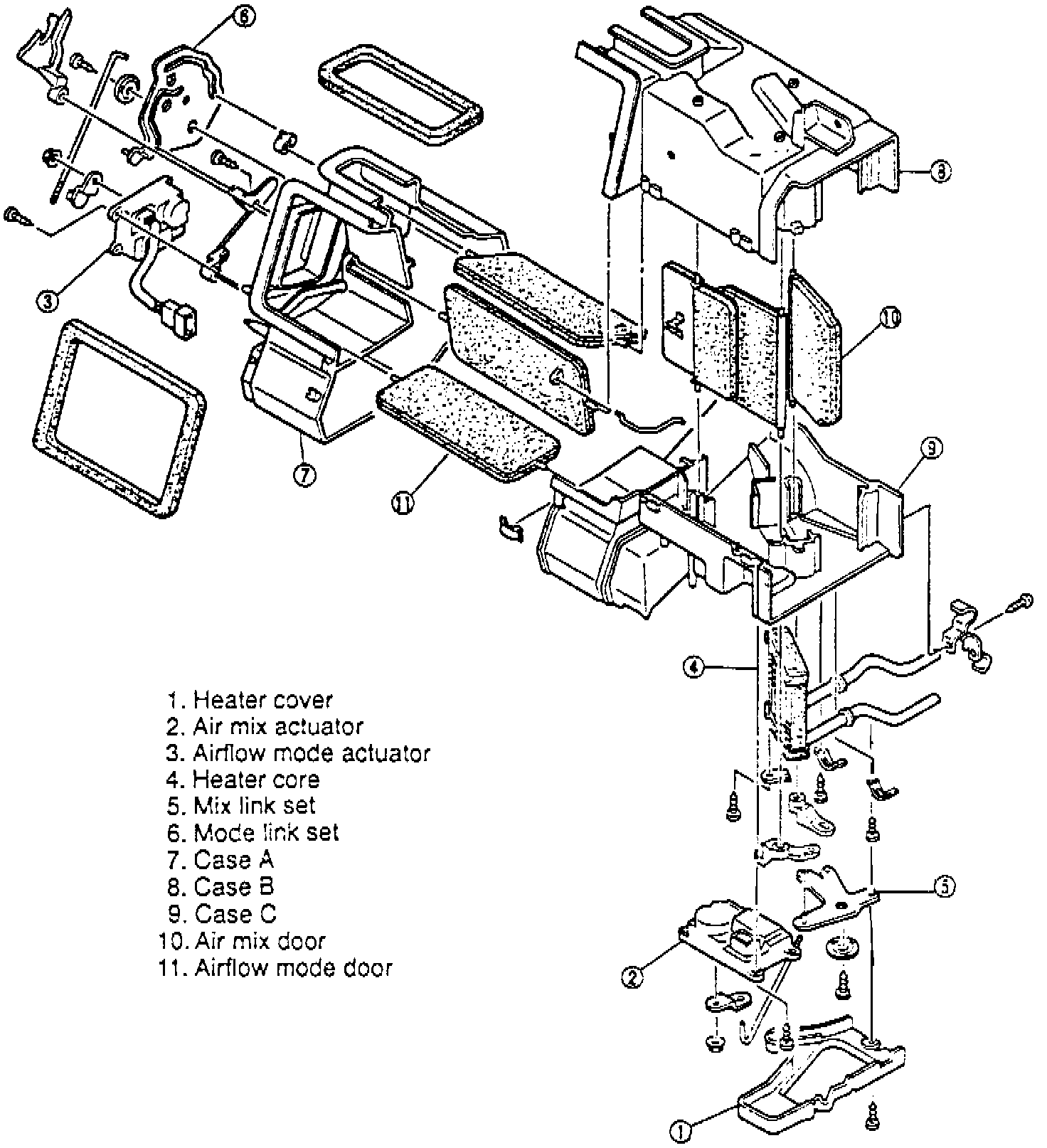
5. Remove heater unit from vehicle, then remove heater core from heater unit, Fig. 7.

Fig. 7 Exploded View Of Heater System:





6. Reverse procedure to install.