Curiosii for ever!: Car repair manuals for everyone.

Disassembly / Assembly

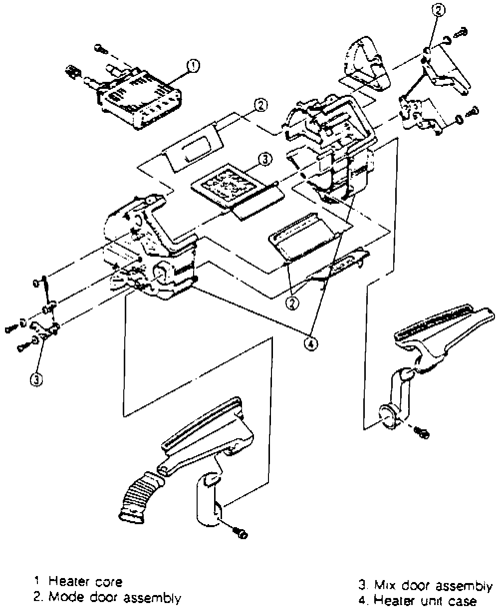
Fig. 8 Exploded View Of Heater Unit:






1. Remove the heater core (1).
2. Remove the mode door (2) assembly.
3. Remove the mix door (3) assembly.
4. Separate and remove the heater unit (4) case.
5. Inspect the heater core for cracks, damage and signs of water leakage.
6. Check for bent fins and distorted and/or bent inlet pipes, replace as necessary.
7. Assemble in reverse order.