Curiosii for ever!: Car repair manuals for everyone.

Timing Belt: Service and Repair





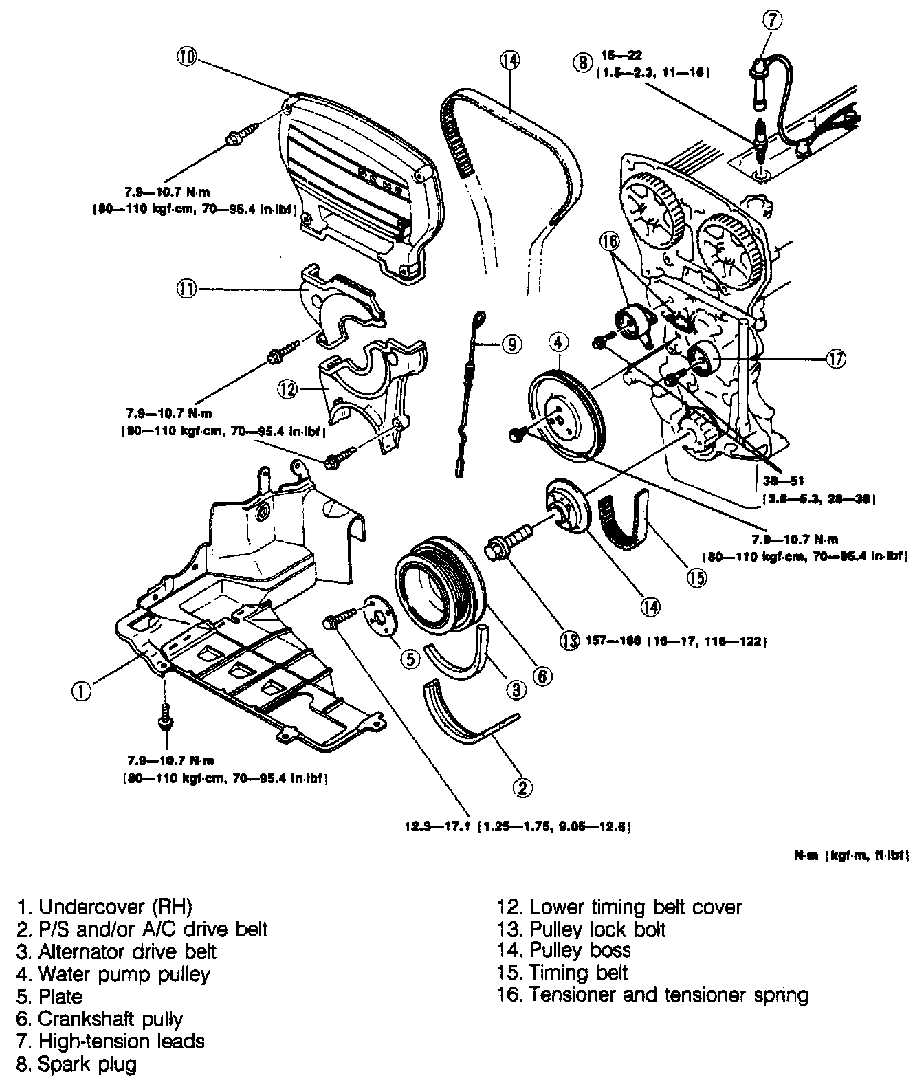
TIMING BELT
1. Disconnect the negative battery cable.
2. Remove the right front wheel.

REMOVAL
Pulley lock bolt





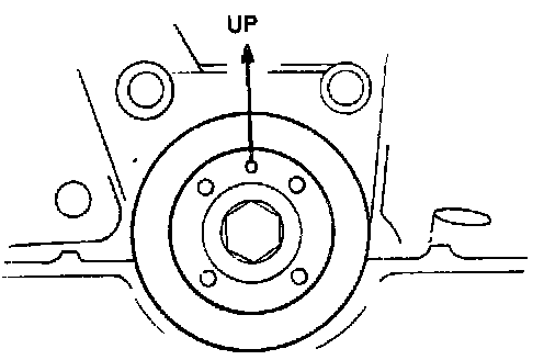
1. Hold the pulley boss with the SST.
2. Using the SST loosen the pulley lock bolt.
3. Remove the bolt and the pulley boss.

Timing belt
1. Install the pulley boss and pulley lock bolt.





2. Turn the crankshaft to align the timing marks.





NOTE:
^ The pin on the pulley boss must face upward.

3. Do not turn the crankshaft after aligning the timing marks.
4. Remove the pulley lock bolt and pulley boss.





5. Protect the tensioner with a rag. Loosen the tensioner lock bolt and pry the tensioner outward with a bar.
6. Tighten the lock bolt with the tensioner spring fully extended.





7. Mark the timing belt rotation for proper reinstallation.
8. Remove the timing belt.





CAUTION:
^ The following will damage the belt and shorten its life; Forcefully twisting it, turning it inside out, bending it, or allowing oil or grease on it.

INSTALLATION
Tensioner and tensioner spring
1. Install the tensioner and the tensioner spring.





2. Protect the tensioner with a rag. Pry the tensioner outward with a bar.
3. Temporarily tighten the tensioner lock bolt with the tensioner spring fully extended.

Timing belt





1. Verify that the timing belt pulley mark is aligned with the timing mark.





2. Verify that the camshaft pulley marks are aligned with the seal plate marks.
3. Install the timing belt so that there is no looseness at the idler side or between the camshaft pulleys.
4. Install the pulley boss and pulley lock bolt.





5. Turn the crankshaft two turns clockwise and face the pin on the pulley boss upright. Do not turn the crankshaft counterclockwise.
6. Verify that the camshaft pulley marks are again aligned with the seal plate marks. If not aligned, remove the timing belt and repeat from tensioner installation.
7. Turn the crankshaft 1 and 5/6 turns clockwise and align the timing belt pulley mark with the tension set mark for proper timing belt tension adjustment.
8. Using the SST, loosen the pulley lock bolt and remove the bolt and pulley boss. Do not turn the crankshaft counter- clockwise.

Fig. 71 Tension Set Mark Alignment:





9. Verify that the timing belt pulley mark is aligned with the tension set mark.





10. Loosen the tensioner lock bolt to apply the tensioner spring tension to the timing belt.
11. Tighten the tensioner lock bolt.

Tightening torque:
38-51 N-m (3.8-5.3 kgf-m, 28-38 ft-lbf)


12. Install the pulley boss and pulley lock bolt.
13. Turn the crankshaft 2 and 1/6 turns clockwise and verify that the timing marks are correctly aligned.





14. Measure the timing belt deflection by applying moderate pressure 98 N (10 kgf, 22 lbf) midway between the camshaft pulleys. If the deflection is not correct, repeat from step 10 above or, it necessary, replace the tensioner spring.

Deflection:
9.0-11.5 mm (0.360.45 in) at98 N (1O kgf, 22 lbf)






Pulley lock bolt
Hold the pulley boss with the SST and tighten the pulley lock bolt.

Tightening torque:
157-166 Nm (16-17 kgf-m, 116-122 ft-lbf)


Steps After Installation
1. Install the right front wheel.
2. Start the engine and check the ignition timing.