Curiosii for ever!: Car repair manuals for everyone.

Removal/Installation

Fig. 8 Wiring Harness Connector Locations:




Fig. 9 Engine Hose Locations:




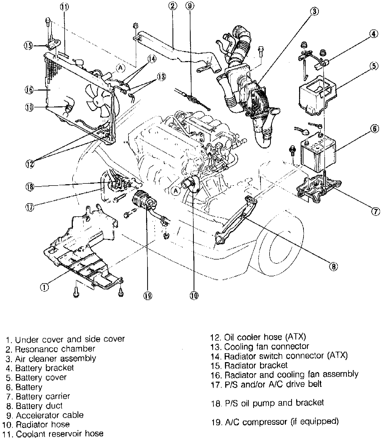
Fig. 7 Engine Compartment Components:




Fig. 10 Engine Compartment Components:




Fig. 11 Engine/transaxle Replacement:




Fig. 12 Engine/transaxle Separation:






1. Relieve fuel system pressure as outlined under Technician Safety Information.
2. Disconnect battery ground cable.
3. Drain engine oil, transaxle oil and coolant into suitable containers.
4. Remove engine compartment components in numbered sequence, Fig. 7, noting the following:
a. Remove A/C compressor with pressure lines attached. Position aside.
b. Remove power steering pump with lines attached. Position aside.

5. Disconnect all electrical connectors and hoses shown in Figs. 8 and 9, noting the following:
a. When disconnecting fuel hoses, cover with shop towel.
b. When disconnecting heater hoses, ensure O-rings and spacer are not lost.

6. Raise and support vehicle.
7. Remove engine compartment components in numbered sequence, Fig. 10, noting the following:
a. On models with manual transaxle, remove release cylinder with lines attached. Position aside.
b. To remove driveshaft, dismount joint shaft, then separate lower arm from knuckles. Separate driveshafts from transaxle by prying between shaft and case.
c. Before removing engine mount member, suspend engine with chain block.

Caution: Failure to support engine can result in serious personal injury.

8. Lower vehicle.
9. Lift engine/transaxle assembly from vehicle in numbered sequence, Fig. 11.
10. Separate transaxle from engine in numbered sequence, Fig. 12.
11. Reverse procedure to install. Tighten all bolts and nuts to specifications.