Curiosii for ever!: Car repair manuals for everyone.

Disassembly

1. On models with manual transaxle, remove clutch cover and disc from engine flywheel.

Fig. 40 Exhaust & Cooling System Component Replacement:





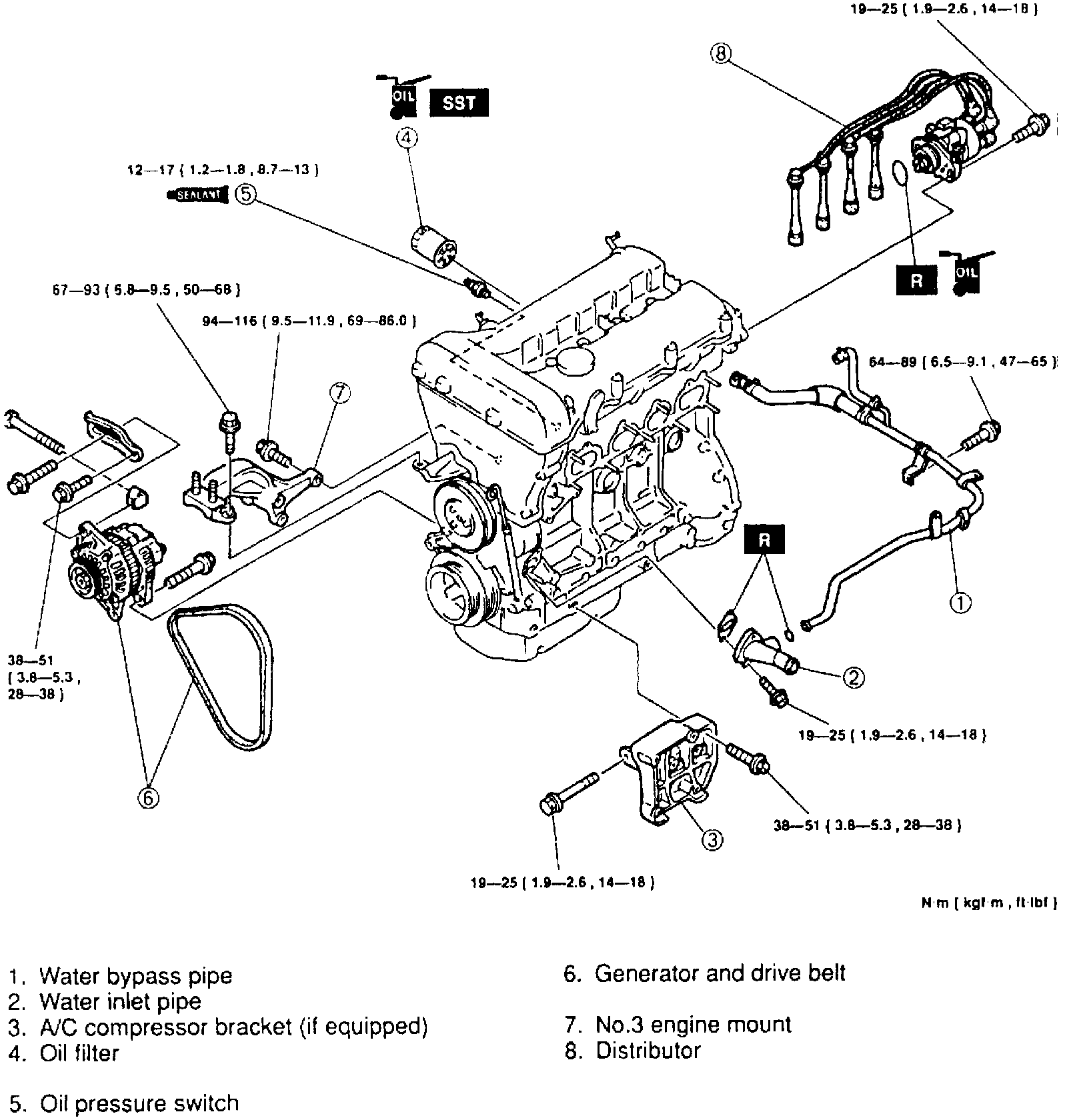
2. Remove auxiliary components from engine in numbered sequence, Fig. 40. Place engine on suitable engine stand.
3. On models with 1.5L engine, remove intake-air system and crankshaft position sensor.

Fig. 41 Auxiliary Engine Component Replacement:




Fig. 42 Auxiliary Engine Component Replacement:




Fig. 43 Auxiliary Engine Component Replacement:





4. Remove auxiliary components from engine in numbered sequence, Figs. 41 through 43.
5. Remove timing belt as outlined under Timing Belt, Replace.

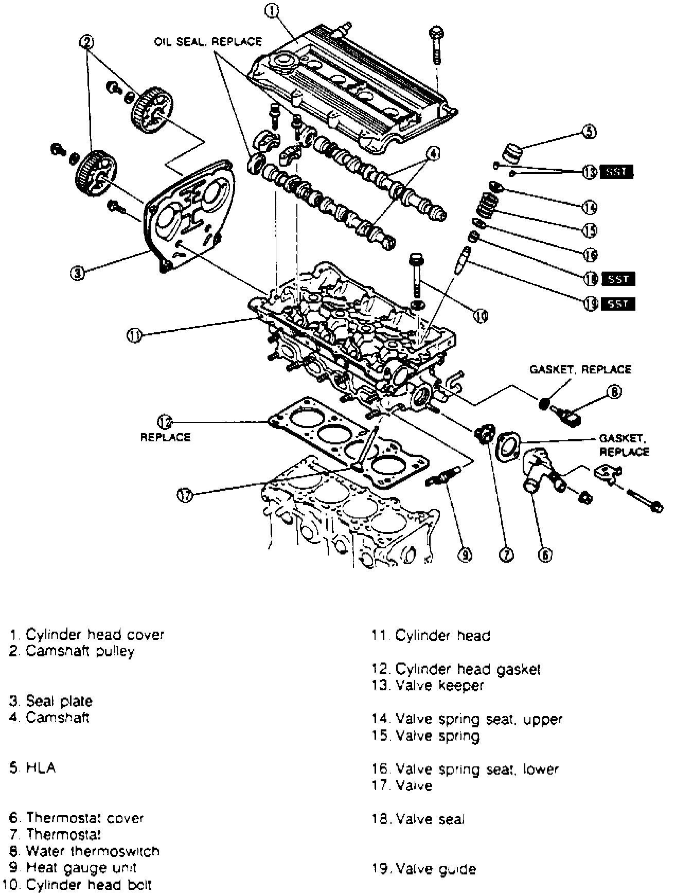
Fig. 44 Cylinder Head Disassembly:




Fig. 45 Cylinder Head Disassembly:




Fig. 46 Cylinder Head Disassembly:




Fig. 27 Cylinder Head Disassembly:




Fig. 28 Cylinder Head Disassembly:





6. Remove and disassemble cylinder head in numbered sequence, Figs. 44 through 46, noting the following:
a. To remove camshaft pulley, hold camshaft with wrench, then remove lock bolt and pulley.

Fig. 17 Camshaft Cap Bolt Loosening Sequence:




Fig. 47 Camshaft Cap Bolt Loosening Sequence:




Fig. 48 Camshaft Cap Bolt Loosening Sequence:





b. Loosen camshaft cap bolts in three steps in sequence shown in Figs. 17, 47 and 48.

c. Mark each lash adjuster. Lash adjusters must be installed in same position from which they were removed.

Fig. 18 Cylinder Head Bolt Loosening Sequence:




Fig. 19 Cylinder Head Bolt Loosening Sequence:





d. Loosen cylinder head bolts in three steps in sequence shown in Fig. 19.
e. Using valve spring lifter and pivot tool Nos. 49B012006 and 490636100A, or equivalents, remove valves from cylinder head.
f. Using valve seal remover tool No. 49S120170, or equivalent, remove valve seal.

Fig. 30 Cylinder Head Warpage Inspection:





g. Measure cylinder head for distortion on lower mating surfaces along the areas indicated in Fig. 30.
h. On 1.5L and 1.6L engines, grind or replace cylinder head if distortion exceeds 0.006 inch.
i. On 1.8L/4 engine, grind or replace cylinder head if distortion exceeds 0.004 inch.

Fig. 31 Manifold Contact Surface Distortion Inspection:





j. Before grinding cylinder head, check sinking of valve seat, camshaft oil clearance and endplay. Also check distortion of manifold contact surface, Fig. 31. Manifold contact surface distortion should not exceed 0.006 inch.

Fig. 32 Valve Seat Angles:





k. Inspect contact surfaces of valve seat and valve face for excessive roughness and/or damage. If necessary, cut valve seat using a suitable 15°, 35°, 45°, 70° or 75° valve seat cutter or grinder, Fig. 32.

Fig. 49 Cylinder Block External Component Replacement:





7. Remove cylinder block external components in numbered sequence, Fig. 49, noting the following:
a. Place ring gear brake tool No. 49E301060, or equivalent, on flywheel, then remove timing belt pulley.
b.To remove oil pan, carefully insert suitable tool between main bearing support plate and oil pan. Ensure contact surfaces are not damaged.

Fig. 50 Main Bearing Support Plate Removal:





c. Remove main bearing support plate by prying only at points shown in Fig. 50.
d. When removing front and rear oil seals, protect tool with shop towel.

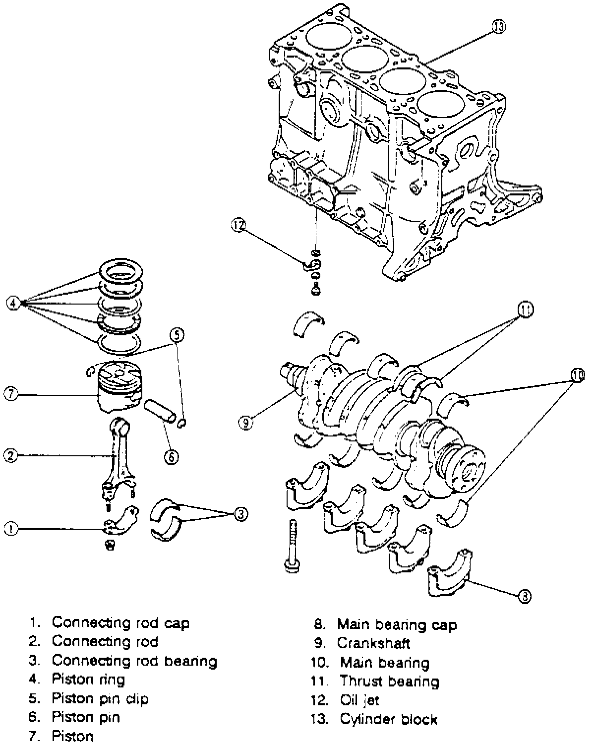
Fig. 51 Cylinder Block Internal Component Replacement:





8. Disassemble cylinder block internal components in numbered sequence, Fig. 51, noting the following:
a. Before removing connecting rod caps, measure connecting rod side clearance.
b. Before removing connecting rods, measure connecting rod oil clearance.
c. Remove Plastigage from crankpin journals. Do not scratch crankshaft journal or cylinder wall.
d. Remove piston and connecting rod assembly through top of cylinder block.
e. Ensure connecting rod moves freely within piston. Large end of connecting rod must drop by its own weight when holding piston horizontally. If not as specified, replace piston or piston pin.
f. On 1.6L and 1.8L/4 engines, remove piston pin using piston pin remover tool No. 49-0221-061A, or equivalent, and a hammer.
g. On 1.5L engine, press out piston pin using piston pin remover tool Nos. 49-L011-006, 49-L011-007, 49-L011-001 and 49-E011-002, or equivalents.
h. Before removing main bearing caps, measure crankshaft endplay.

Fig. 52 Main Bearing Cap Bolt Loosening Sequence:





i. Loosen main bearing cap bolts in three steps in sequence shown in Fig. 52.
j. Before removing crankshaft, measure main bearing oil clearances.

Fig. 38 Cylinder Block Warpage Inspection:





k. Measure cylinder block top surface distortion (warpage) in six directions as shown in Fig. 38. Distortion should be 0.006 inch or less.

Fig. 39 Cylinder Bore Diameter Inspection:





l. Measure cylinder diameter at six locations indicated in Fig. 39.
m. Measure outer diameter of each piston and ensure clearance between piston and cylinder is correct.