Curiosii for ever!: Car repair manuals for everyone.

Alternator: Service and Repair


ALTERNATOR
Removal/Installation

Caution:
- Be sure the battery connections are not reversed, this will damage/the rectifier.
- Do not use high-voltage testers such as a megger, they will damage the rectifier.
- Remember that battery positive voltage is always present at alternator terminal B.
- Do not ground the L terminal while the engine is running.
- Do not start the engine while the connector is disconnected from terminals L and S.






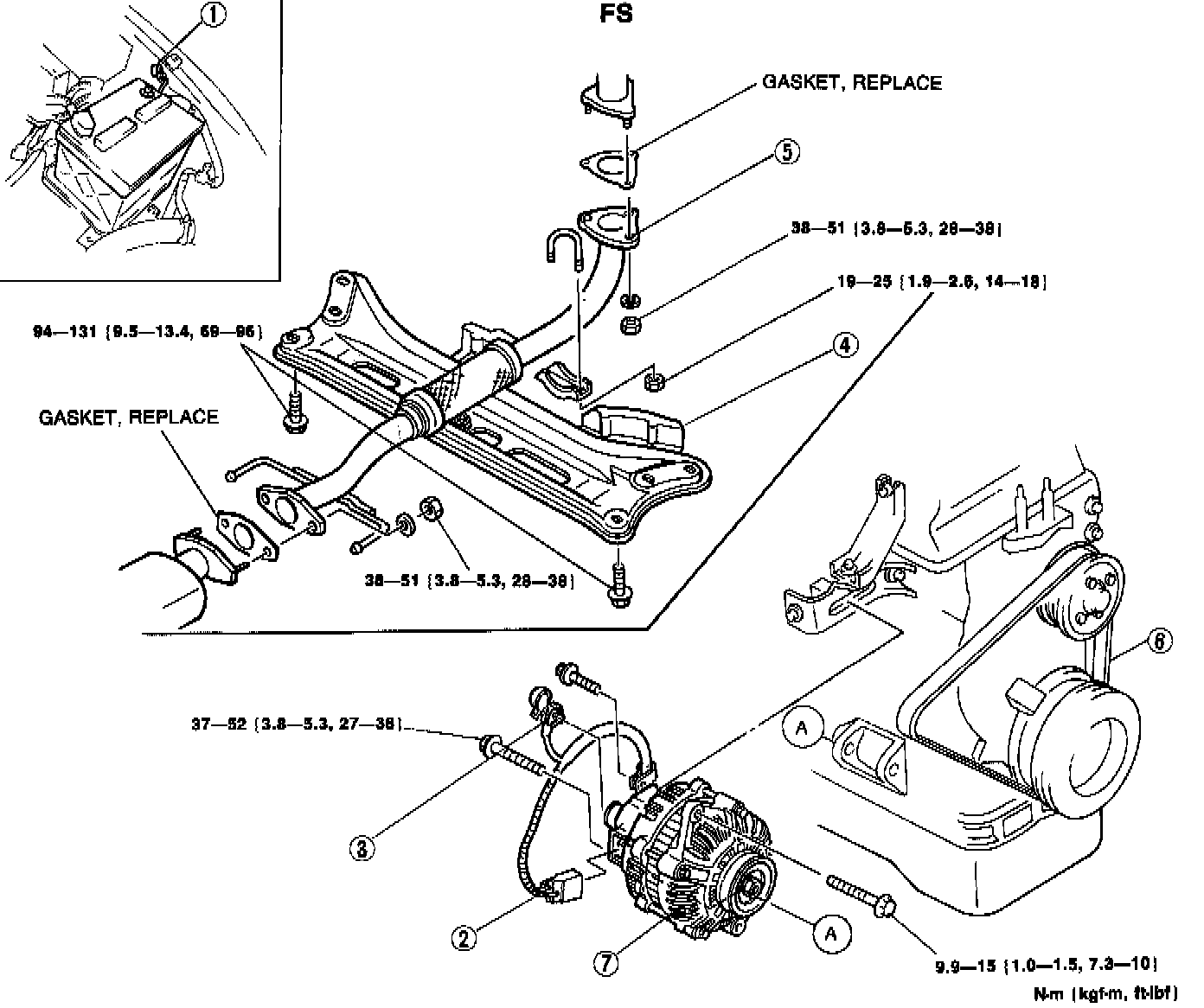
FS MODEL
A. Remove in the order shown in the figure
B. Inspect all parts and repair or replace as necessary.
C. Install in the reverse order of removal.
1. Negative battery cable
2. Connector
3. Terminal B wire Inspect for damage and corrosion
4. Transverse member
5. Front pipe assembly
6. Drive belt
Inspection Testing and Inspection
Adjustment
Replacement
7. Alternator






Disassemble in the order shown in the figure.






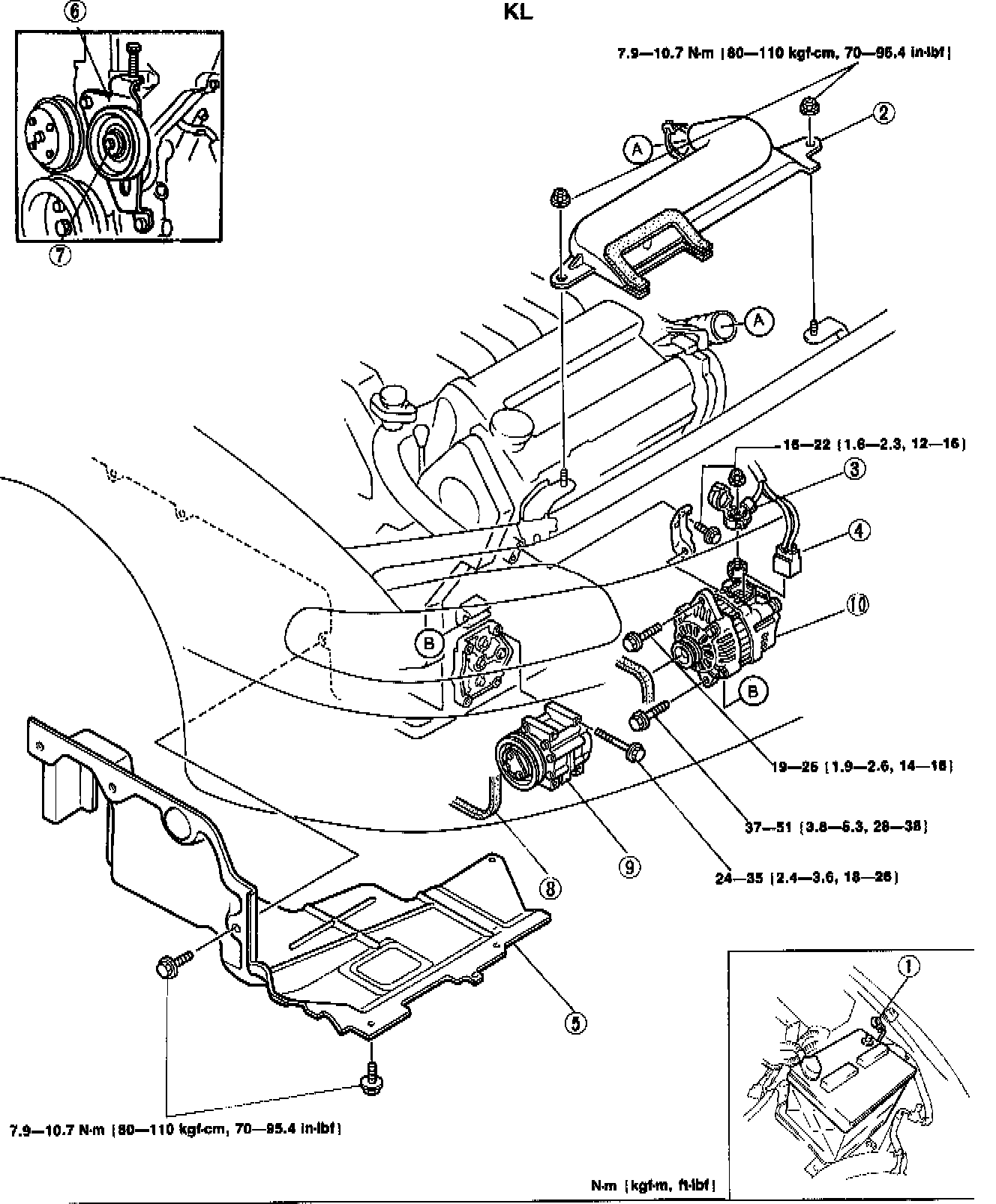
KL MODEL
1. Negative battery cable
2. Drain the engine oil.
3. Fresh air duct
4. Alternator terminal B wire Inspect for damage and corrosion
4. Connector
6. Undercover
7. Belt tensioner
8. Locknut
9. Drive belt
Inspection Testing and Inspection
Adjustment
Replacement
10. Compressor
11. Alternator

ALTERNATOR
Disassembly/Assembly






FS MODEL
A. Disassemble in the order shown in the figure.
B. Inspect all parts and repair or replace as necessary.
C. Assemble in the reverse order of disassembly.
1. Pulley
2. Front bracket
3. Rotor
4. Rear bracket
5. Stator
6. Rectifier
7. Brush holder assembly
8. Bearing






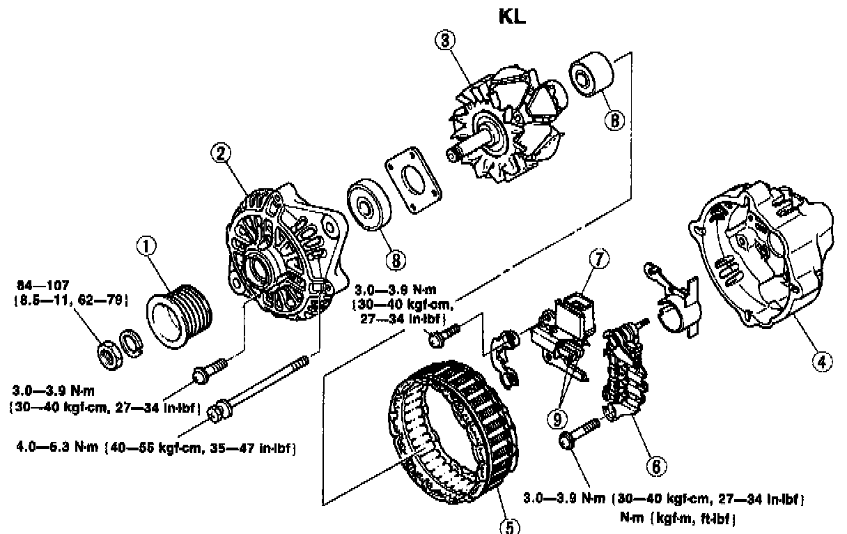
KL MODEL
1. Pulley
2. Front bracket
3. Rotor
4. Rear bracket
5. Stator
6. Rectifier
7. Brush holder assembly
8. Bearing






Disassembly/Assembly Note Rear bracket, Starter lead wire
Melt the solder quickly, the diodes (rectifier) and regulator will be damaged by excessive heat






Brush holder
Melt the solder quickly, the diodes (rectifier) and regulator will be damaged by excessive heat.

Inspection
Rotor






1. Measure resistance between the slip rings.
Specifications: 2.5-3.5 ohms
2. If not within specifications, replace the rotor.






3. (1) Check continuity between each slip ring and the core.
(2) Replace the rotor if there is continuity.
4. Check if the slip ring surface is rough. Use fine sandpaper to repair it if necessary.

Stator






1. Check for continuity between the stator coil leads.
2. Replace the stator if there is no continuity.






3. Check continuity between the stator coil leads and the core.
4. Replace the stator if there is continuity.

Bearing







1. Check for abnormal noise, looseness, and sticking.
2. Replace the bearings if necessary.











Rectifier






1. Check continuity of the diodes.
2. Replace the rectifier if necessary.

Brush






If a brush is worn almost to or beyond the limit, replace the brushes.
Standard: 21.5 mm {O.85 in}
Minimum: 8.O mm {O.31 in}

Brush spring






1. Measure the force of the brush spring by using a spring pressure gauge.
2. Replace the spring if necessary.
Standard force: 3.14-4.31 N {320-440 gf, 11.3-15.5 oz}
Minimum: 1.57-2.35 N {160-240 gf, 5.65-8.47 oz}

Note: Read the spring pressure with the brush tip projecting 2mm {O.O79 in}.







Assembly
Torque Specifications






Oil Filter

1. Apply a small amount to clean engine oil to the rubber seal of the new oil filter.
2. Install the filter and tighten It by hand until the rubber seal contacts the mounting base.
3. lighten the filter 1-1/6 turns by using the SST.