Curiosii for ever!
: Car repair manuals for everyone.
Home
>>
Mazda
>>
1994
>>
MX-5 Miata L4-1.8L DOHC
>>
Repair and Diagnosis
>>
Diagrams
>>
Electrical Diagrams
>>
Powertrain Management
>>
Computers and Control Systems
>>
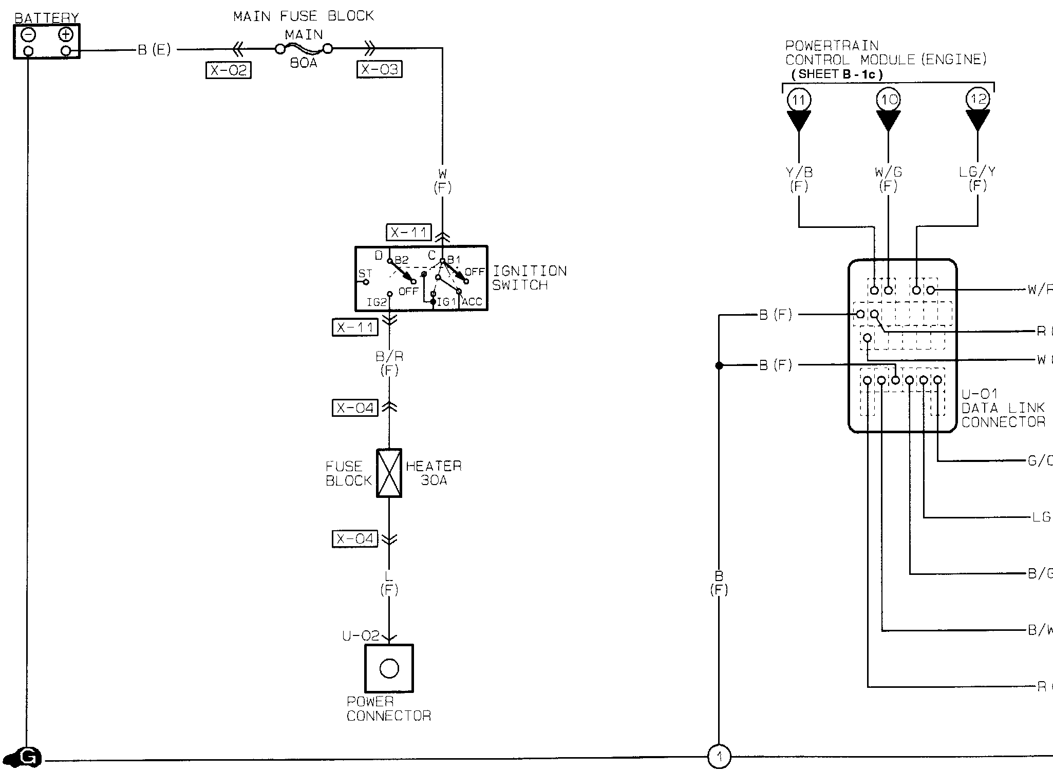
Data Link Connector
Data Link Connector
ҍ4Data Link Connector: