Curiosii for ever!
: Car repair manuals for everyone.
Home
>>
Mazda
>>
1994
>>
MX-3 V6-1844cc 1.8L DOHC
>>
Repair and Diagnosis
>>
Starting and Charging
>>
Charging System
>>
Alternator
>>
Service and Repair
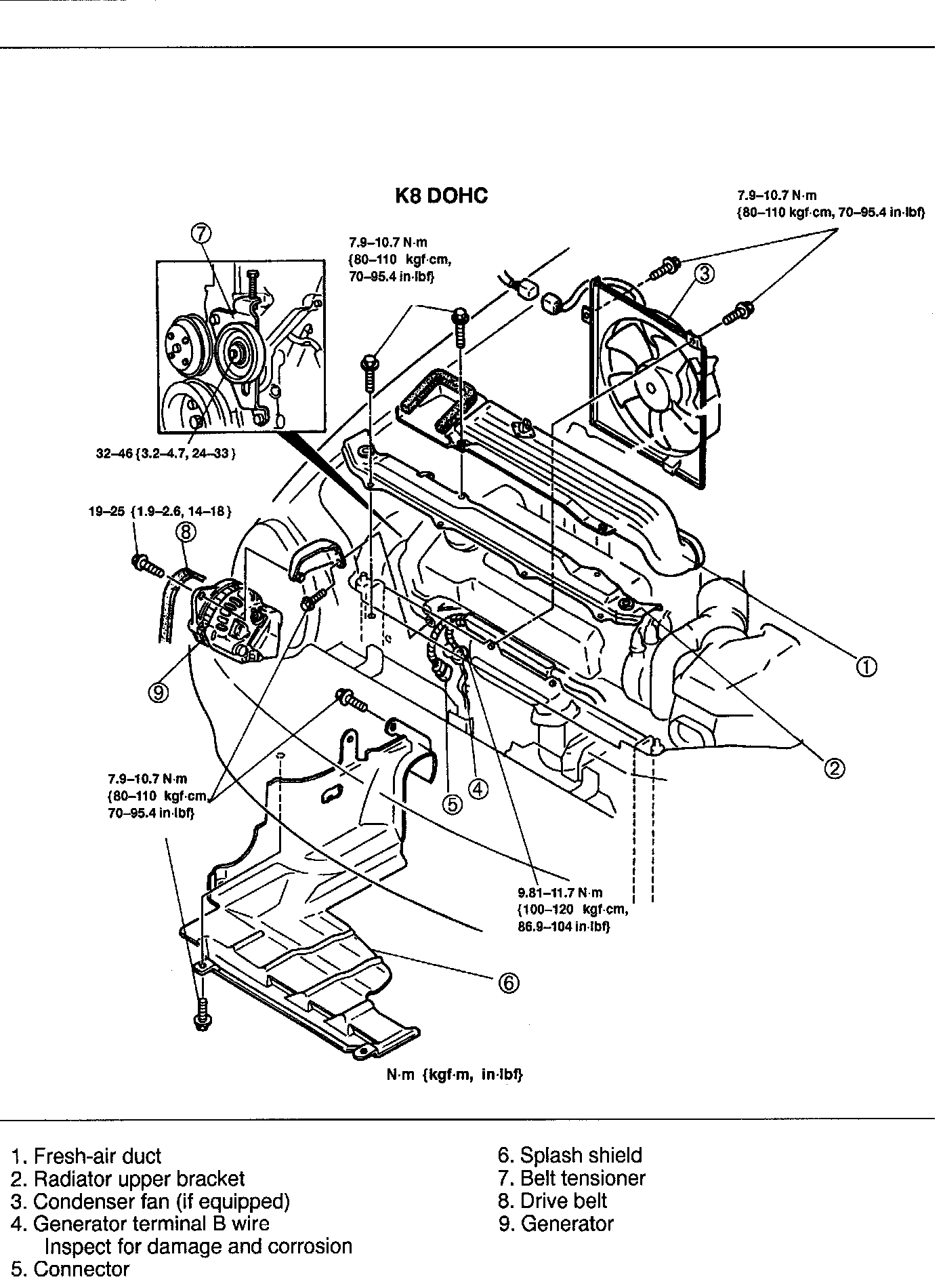
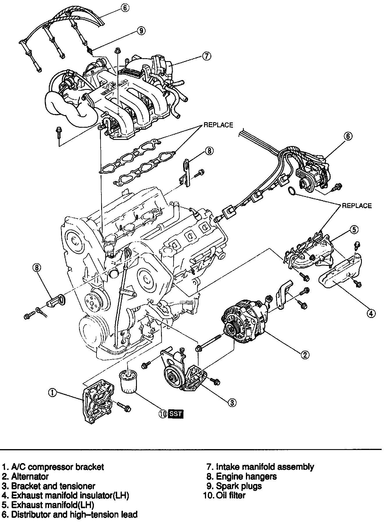
Alternator: Service and Repair
AUXILIARY PARTS
1.
Drain the engine oil.
2.
Disassemble in the order shown in the figure.
ASSEMBLY