Curiosii for ever!: Car repair manuals for everyone.

Component Locations

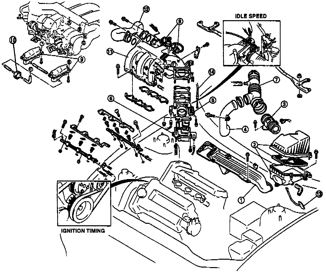
View: Components 1 Through 14:





1. Fresh-air duct
2. Air cleaner housing
3. Volume airflow sensor
4. Resonance duct
5. Throttle body
6. By-pass air control (BAC) valve assembly
7. Air intake hose
8. Variable resonance induction system (VRIS) shutter valve actuator
9. Vacuum chamber
10. Check valve
11. Intake manifold
12. Air intake pipe
13. Accelerator pedal
14. Accelerator cable


View: Components 15 Through 22:





15. Main silencer
16. Pre-silencer
17. Three-way catalyst
18. Front pipe
19. Insulator
20. Exhaust manifold
21. EGR pipe
22. Warm-up three-way catalyst