Curiosii for ever!: Car repair manuals for everyone.

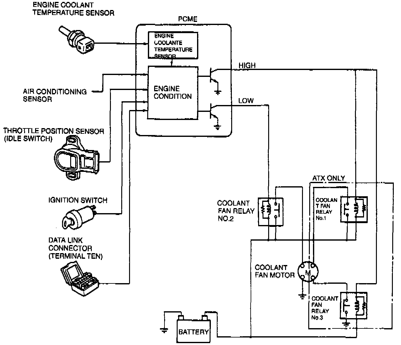
Coolant Fan Control System

PURPOSE
To improve engine reliability, the electric (radiator) coolant fan is controlled by the powertrain control module engine (PCME).


Fig.2 Coolant Fan Control System Operating Conditions:





OPERATION
The system employs a LOW/HIGH (2 speed) control of the coolant fan. The coolant fan controls operate under the conditions shown in Fig.2.


View: Coolant Fan And Condenser Fan Control System:





CONSTRUCTION
The system consists of a 2 speed coolant fan motor, three coolant fan relays, PCME, and various PCME input devices.