Curiosii for ever!
: Car repair manuals for everyone.
Home
>>
Mazda
>>
1994
>>
MX-3 V6-1844cc 1.8L DOHC
>>
Repair and Diagnosis
>>
Diagrams
>>
Electrical Diagrams
>>
Powertrain Management
>>
System Diagram
>>
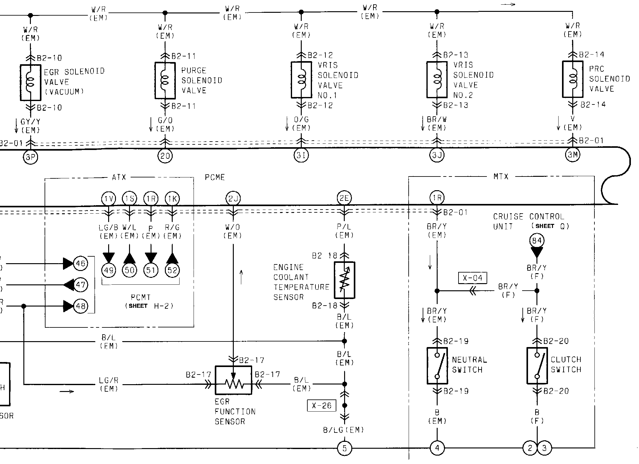
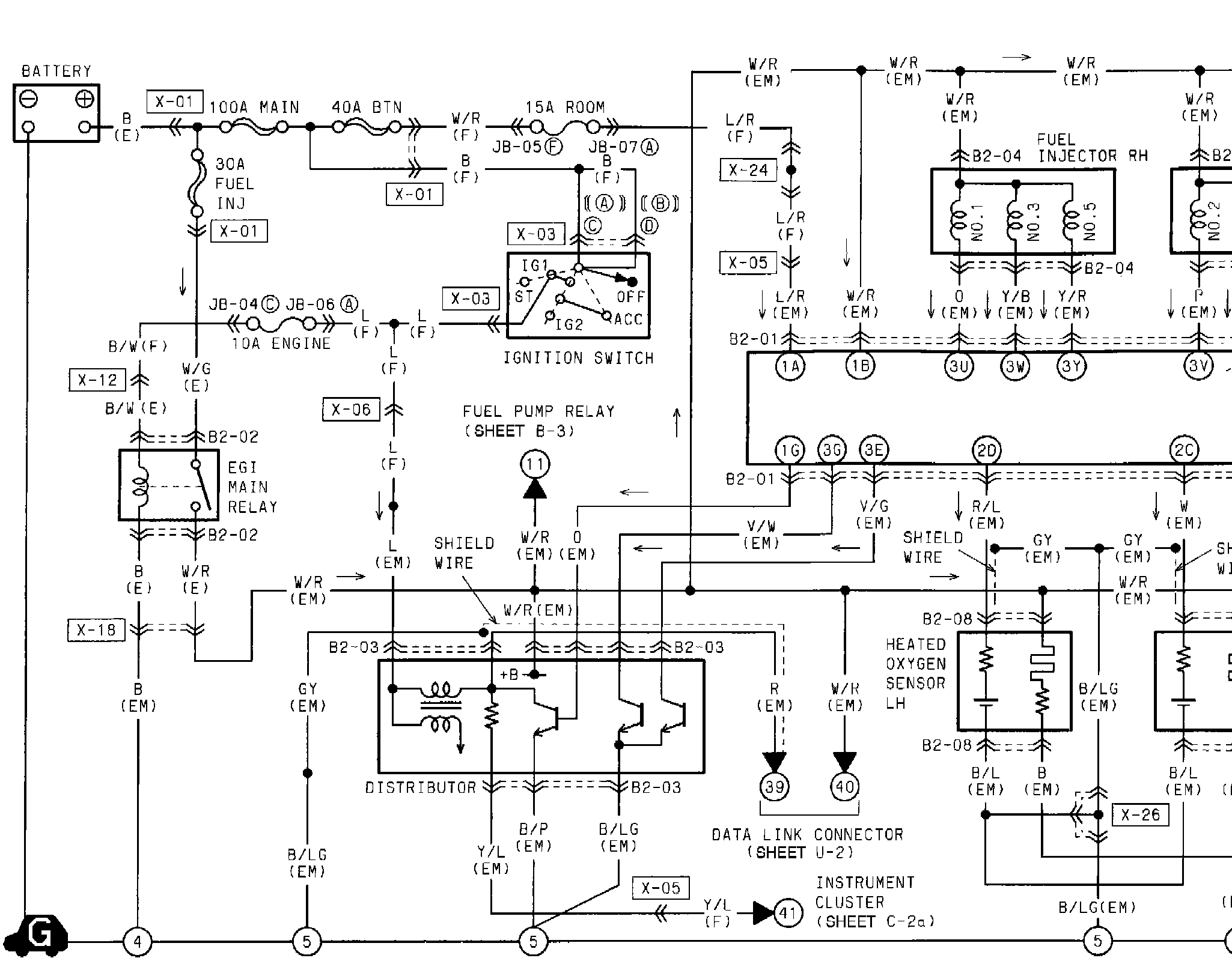
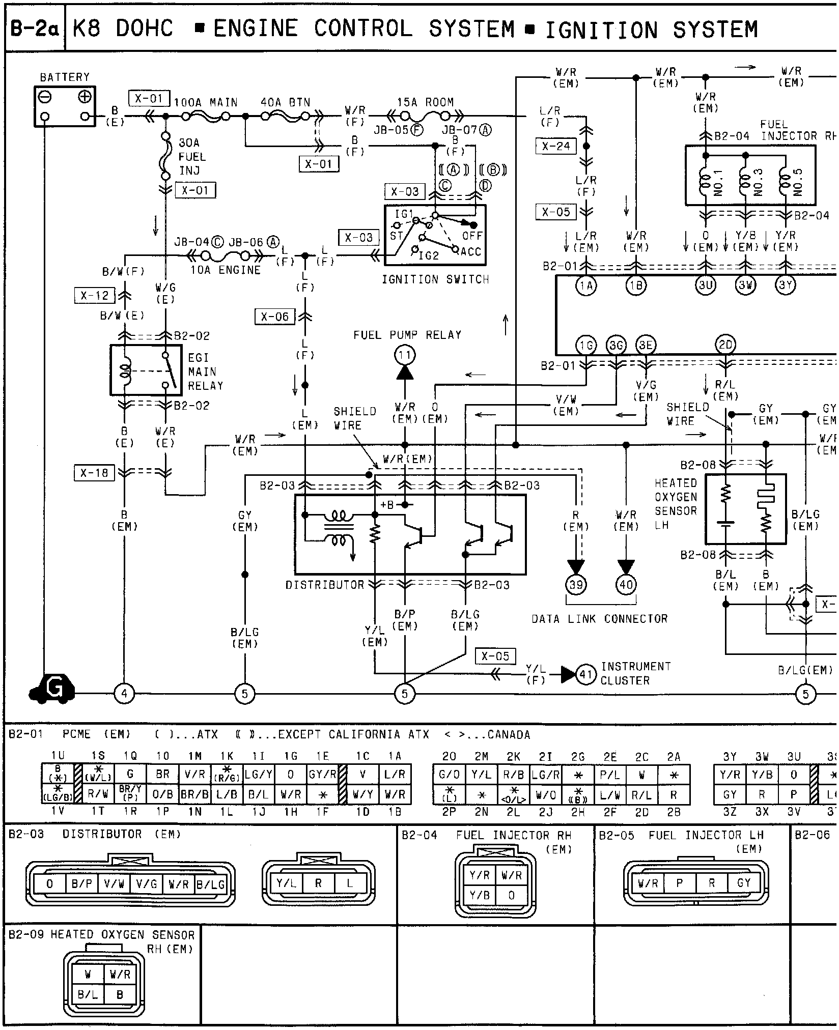
EC-AT Control System
EC-AT Control System
(�> B-2A:
R�> B-2B:
Pb> B-2C:
��>Engine Control System, Ignition System B-2A:
� >Engine Control System B-2B:
<�>Engine Control System B-2C: