Curiosii for ever!
: Car repair manuals for everyone.
Home
>>
Mazda
>>
1994
>>
MX-3 V6-1844cc 1.8L DOHC
>>
Repair and Diagnosis
>>
Diagrams
>>
Electrical Diagrams
>>
Powertrain Management
>>
Computers and Control Systems
>>
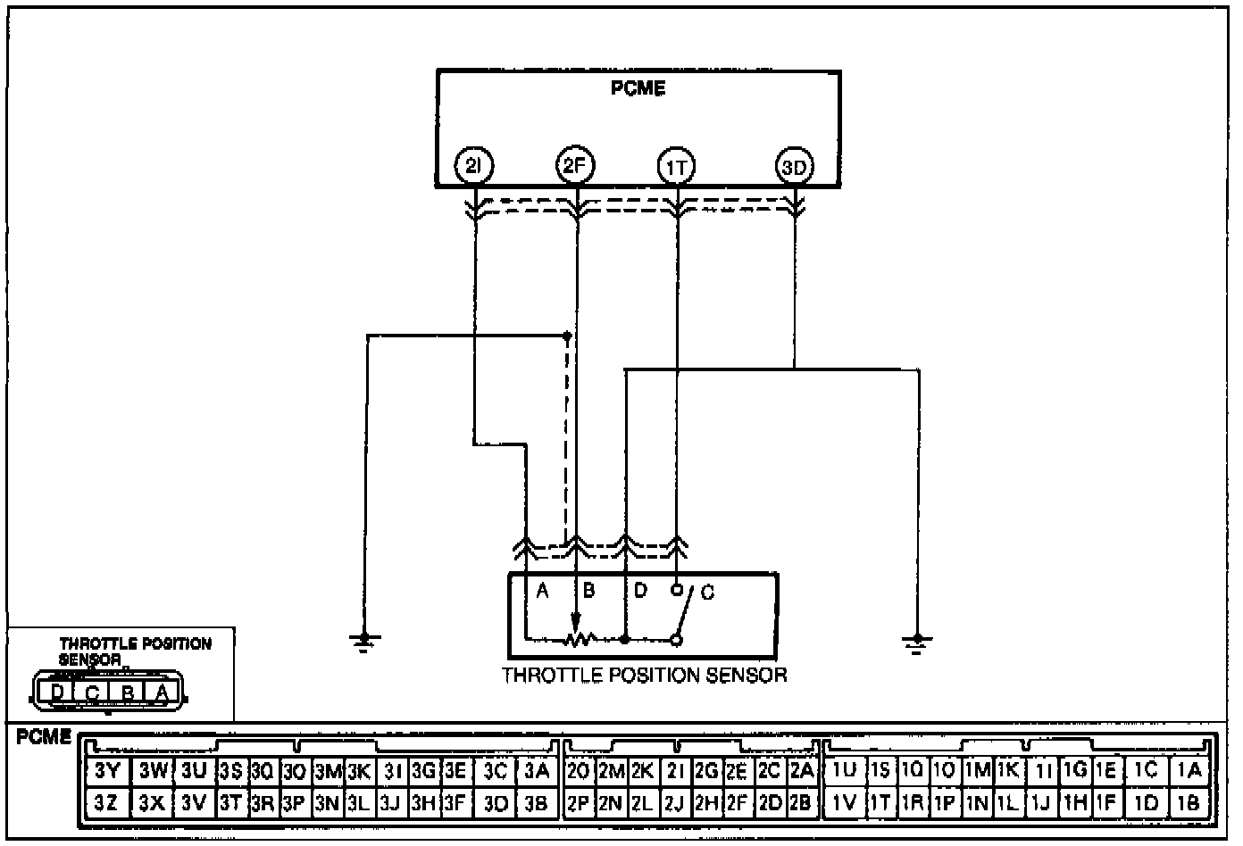
Throttle Position Sensor
Throttle Position Sensor
Circuit Diagram: