Curiosii for ever!: Car repair manuals for everyone.

Air Bag Control Module: Description and Operation



SYSTEM OPERATION

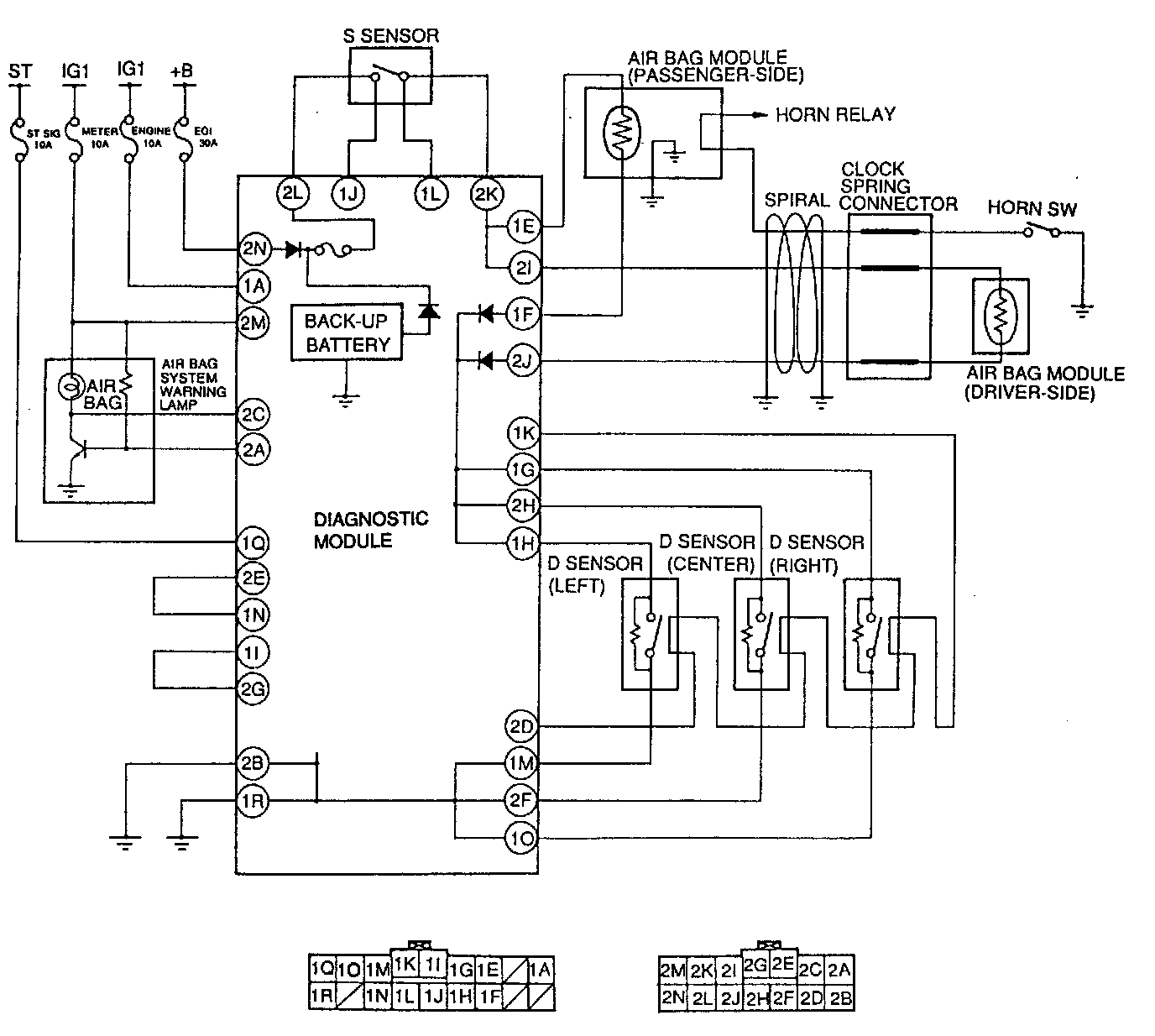
System Diagram:





Component Description:





During Collision

- When either of the D sensors and the S sensor are activated (closed) simultaneously by shock of a collision, the circuit to the inflator is completed.
- The inflator creates nitrogen gas and the air bags are deployed.
- The air bags vent the nitrogen gas from the vent hole on the back side of the bag to reduce shock to the driver and passenger and to allow easier exit from the vehicle.

During Normal Condition and Malfunction
- The diagnostic module constantly monitors the components and wiring of the air bag system for malfunction, open circuits, and short circuits.
- If a malfunction is detected, the diagnostic module illuminates or flashes the warning lamp.
- In the case of a short circuit in the sensors or sensor harnesses, the diagnostic module activates the warning lamp and shuts down the system to prevent accidental deployment of the air bags.