Curiosii for ever!: Car repair manuals for everyone.

Starter Motor: Service and Repair

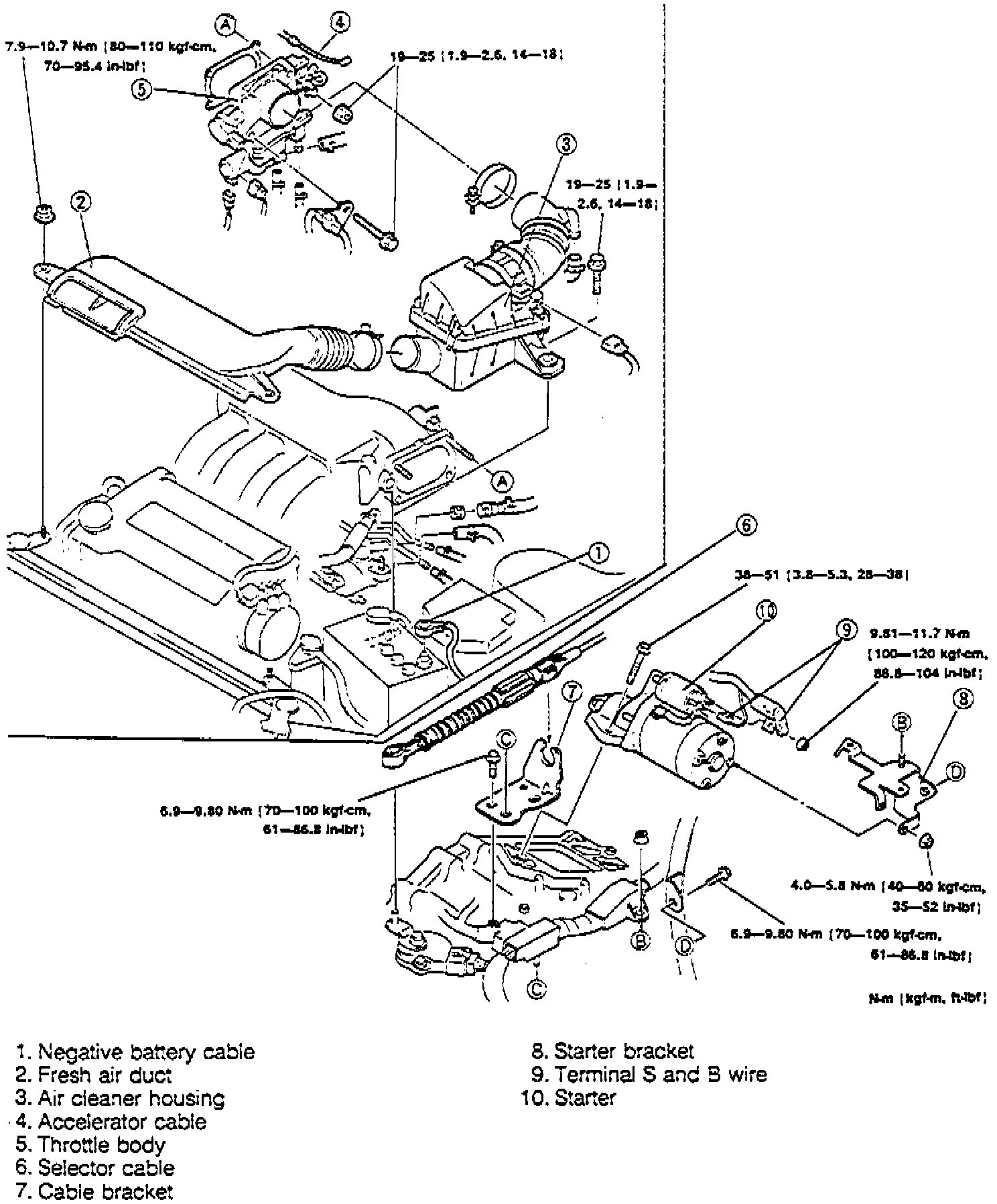
NOTE: Deactivate audio anti-theft function, as outlined under Technician Safety Information before disconnecting battery.

1. Disconnect battery ground cable.
2. Remove or disconnect components in order, Figs. 3 and 4.

Fig. 3 Starter Removal:





Fig. 4 Starter Removal:





3. Reverse procedure to install.
4. Reactivate audio anti-theft function as outlined under Technician Safety Information.