Curiosii for ever!: Car repair manuals for everyone.

Starter Motor: Service and Repair

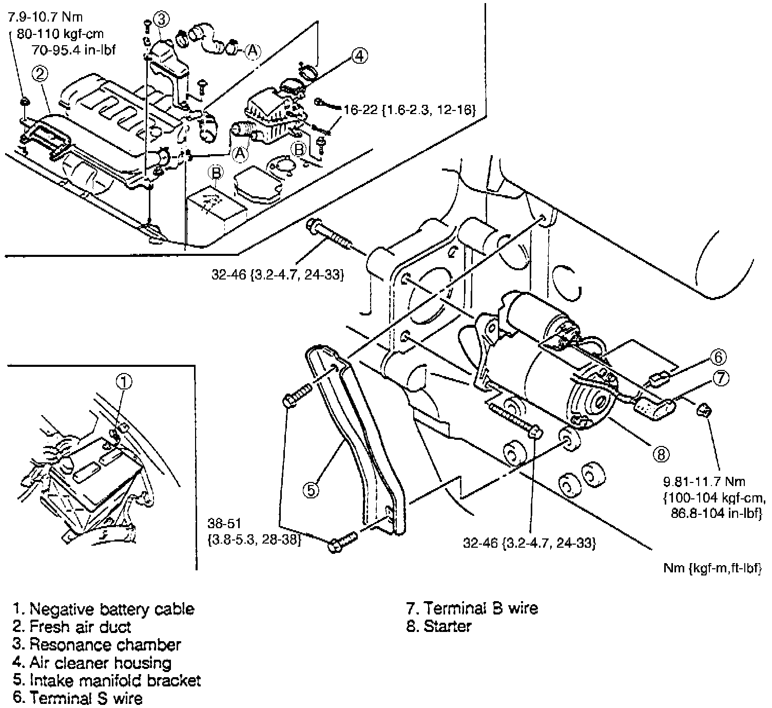
Fig. 2 Starter Removal:





NOTE: Deactivate audio anti-theft function, as outlined under Technician Safety Information before disconnecting battery.

1. Disconnect battery ground cable.
2. Remove or disconnect components in order, Fig. 2.
3. Reverse procedure to install.
4. Reactivate audio anti-theft function as outlined under Technician Safety Information.