Curiosii for ever!: Car repair manuals for everyone.

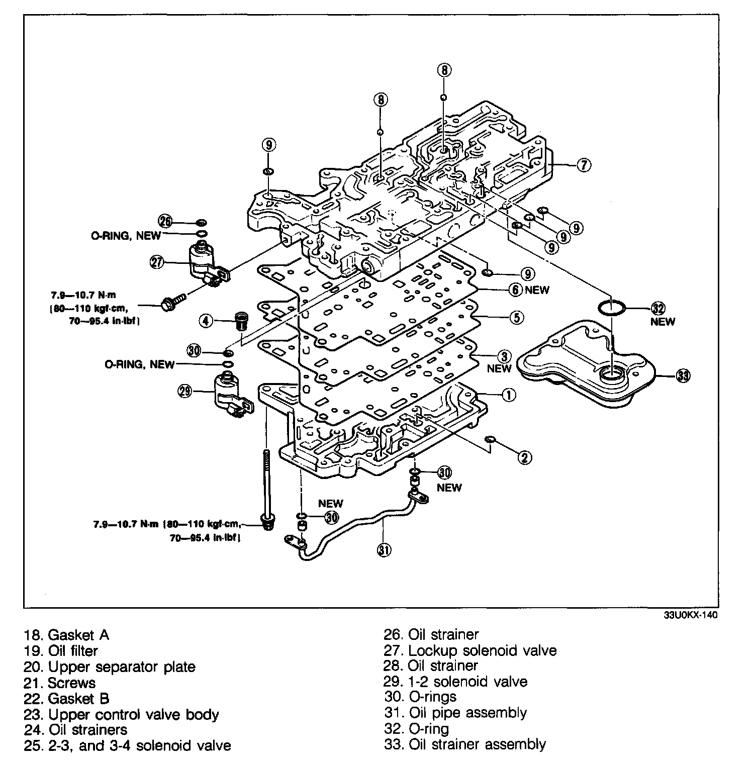
Control Valve Body (Assembly)







Assembly

CAUTION:
- Before assembly, make sure all parts are perfectly clean.
- Apply ATF to all parts.
- Do not reuse the gaskets or O-rings.
Assemble as shown, refering to Assembly Procedure.

Part 1:




Part 2:









Assembly procedure




1. Install the oil strainer into the lower control valve body. (Refer to Installation position;




2. Set the oil filter into the lower separator plate.






CAUTION: Do not confuse gasket F and gasket E.




3. Set the new gasket F, lower separator plate, and new gasket E onto the lower valve body.




4. Set the premain control valve body onto the lower valve body.

Tightening torque: 7.9 - 10.7 N.m {80 - 110 kg.cm, 70 - 95.4 in.lbf}




5. Install the rubber balls and oil strainers into their proper positions in the premain control valve body.
(Refer to Installation position;




6. Install the rubber balls into their proper positions in the main control valve body.
(Refer to Installation position;





CAUTION: Do not confuse gasket C and gasket 0.




7. Set the new gasket C, main separator plate, and new gasket D onto the main control valve body.




8. Secure them with the screws.




9. Set the main control valve body onto the premain control valve body.

NOTE: Match the bolt head letters as shown.

10. Loosely tighten the bolts.
(Refer to Installation position;




11. Install the throttle relief spring and throttle relief ball into their proper position in the upper control valve body. (Refer to Installation position;




12. Set the oil filter in the upper separator plate.






CAUTION: Do not confuse gasket A and gasket B.




13. Set the new gasket A, upper separator plate, and new gasket B onto the upper control valve body.




14. Secure them with the screws.




15. Set the upper control valve body onto the main control valve body.

Tightening torque: 7.9 - 10.7 N.m {80 - 110 kg.cm, 70 - 95.4 in.lbf}

CAUTION: Align the throttle plug assembly groove and the bolt hole of the upper valve body.






NOTE: Match the bolt head letters as shown.

16. Loosely tighten the bolts.
(Refer to Installation position;



17. Install the 2-3 and 3-4 solenoid valves, oil strainers, and bracket.






NOTE: Match the bolt head letters as shown.

18. Tighten the mounting bolts.

Tightening torque: 7.9 - 10.7 N.m {80 - 110 kg.cm, 70 - 95.4 in.lbf}




19. Install the lockup solenoid and oil strainer.

Tightening torque: 7.9 - 10.7 N.m {80 - 110 kg.cm, 70 - 95.4 in.lbf)

20. Install the 1-2 solenoid valve and oil strainer onto the upper valve body.




21. Apply ATF to the new O-rings and install them onto the oil pipe assembly.
22. Install the oil pipe assembly.

Tightening torque: 7.9 - 10.7 N.m {80 - 110 kg.cm, 70 - 95.4 in.lbf}




23. Apply ATF to the new O-ring and install it onto the oil strainer assembly.
24. Install the oil strainer.

Tightening torque: 7.9 - 10.7 N.m {80 - 110 kg.cm, 70 - 95.4 in.lbf}