Curiosii for ever!: Car repair manuals for everyone.

Air Injection Control Valve: Service and Repair

Air Control Valve Replacement:






1. Remove extension manifold. Refer to Fuel Delivery and Air Induction.
2. Remove in order shown on image.
3. Replace in reverse order.

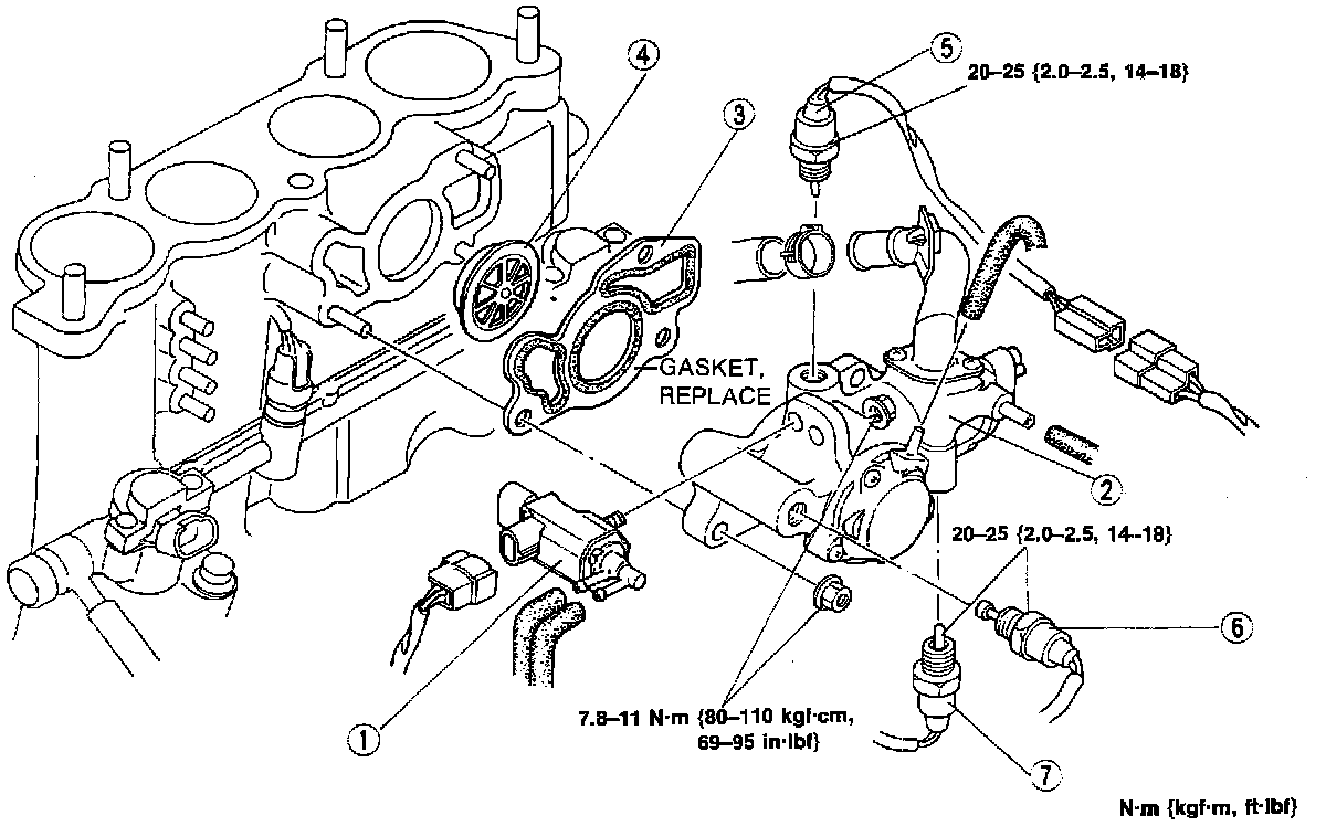
COMPONENTS

1. Solenoid Valve (Turbo Control)
2. Air Control Valve
3. Gasket
4. Check Valve (Port Air)
5. Solenoid Valve (Port Air Bypass)
6. Solenoid Valve (Split Air Bypass)
7. Solenoid Valve (Relief 2)