Curiosii for ever!: Car repair manuals for everyone.

Metering Oil Pump Position Sensor: Description and Operation


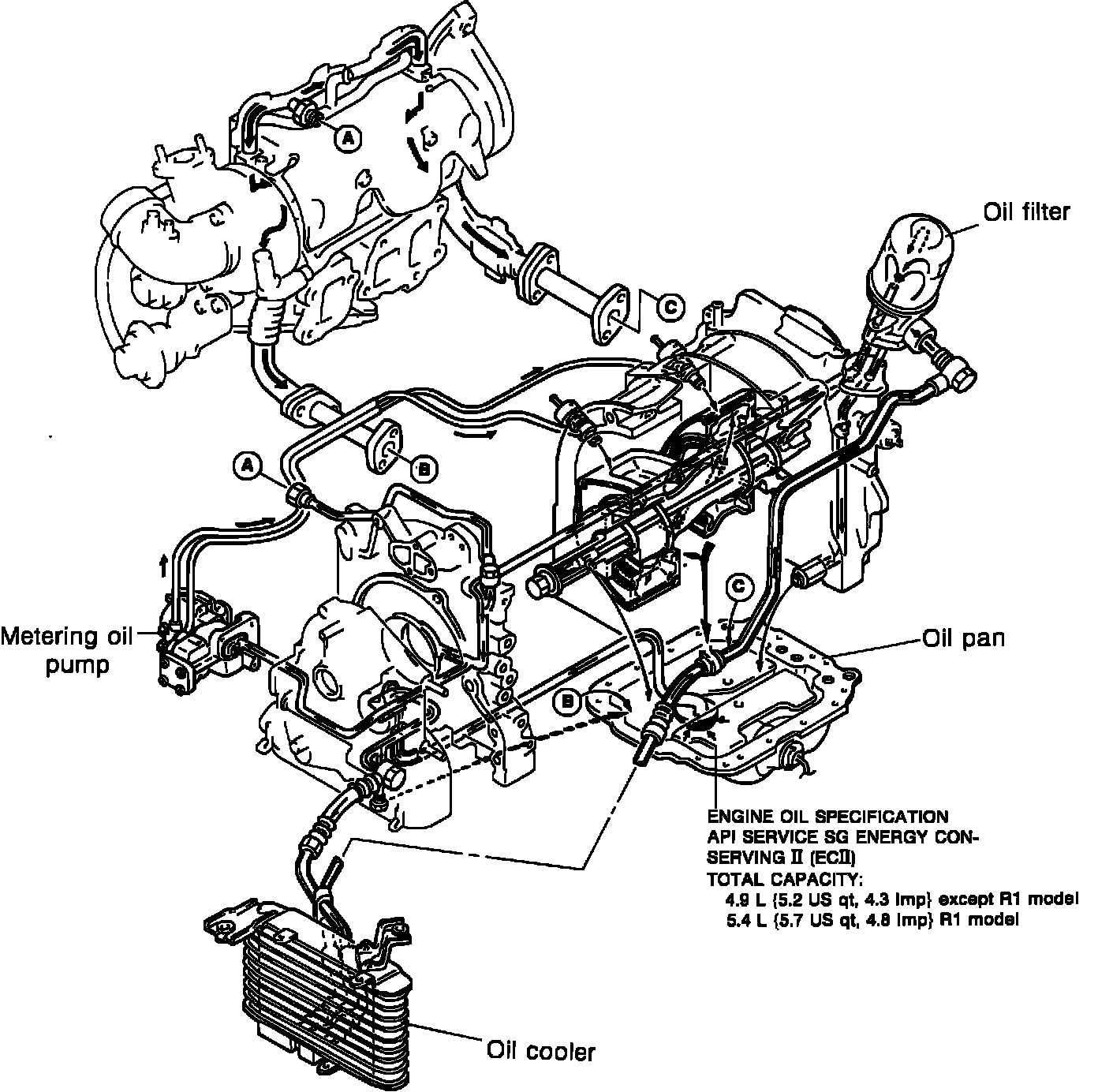
Lubrication System:






PURPOSE
With position sensor input, ECU is apprised of pump stepping motor position at all times. This is compared to preprogrammed values as to what the correct position should be throughout the range of driving conditions, allowing the ECU to detect malfunctions and set a code. If a problem is detected, the ECU will control the pump in fail-safe mode.

LOCATION
Integral with metering oil pump, right front side of engine.

OPERATION
If sensor detects a problem, pump control pin is fixed at its lowest compensation step and oil is discharged in proportion to engine speed only. If oil injection requirements exceed the lowest compensation step range, fuel injection will be restricted to keep engine speed within oil injection capacity and prevent damage.