Curiosii for ever!
: Car repair manuals for everyone.
Home
>>
Mazda
>>
1993
>>
MX-6 V6-2496cc 2.5L DOHC
>>
Repair and Diagnosis
>>
Diagrams
>>
Electrical Diagrams
>>
Powertrain Management
>>
Computers and Control Systems
>>
System Diagram
>>
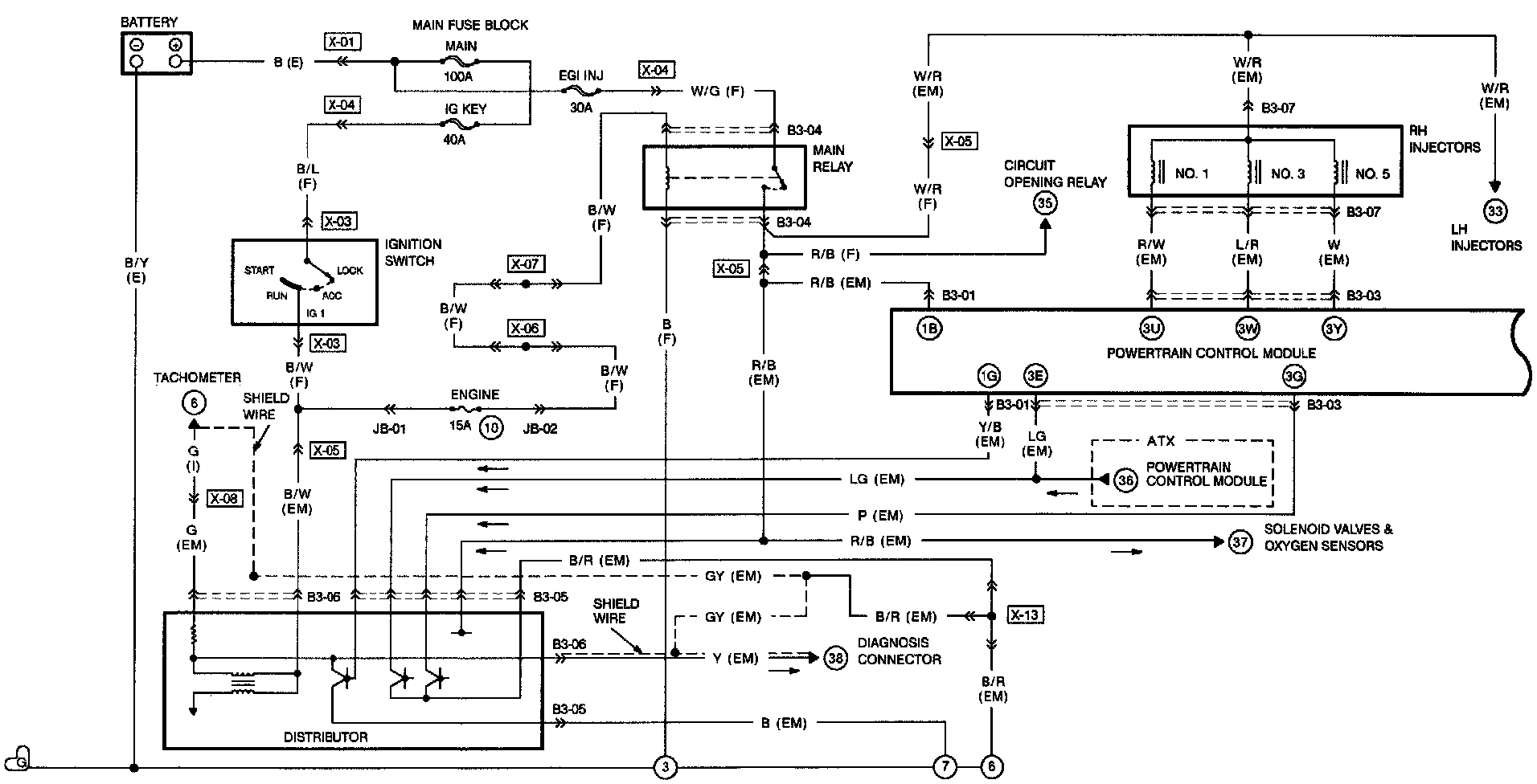
Engine Control System
>>
Part 1 of 2
Part 1 of 2
Engine Management And Ignition System:
Engine Management And Ignition System Part 2 Of 2: