Curiosii for ever!
: Car repair manuals for everyone.
Home
>>
Mazda
>>
1993
>>
626 V6-2496cc 2.5L DOHC
>>
Repair and Diagnosis
>>
Powertrain Management
>>
Computers and Control Systems
>>
Air Flow Meter/Sensor
>>
Diagrams
>>
Electrical Diagrams
Electrical Diagrams
Engine Management Part 1 Of 3:
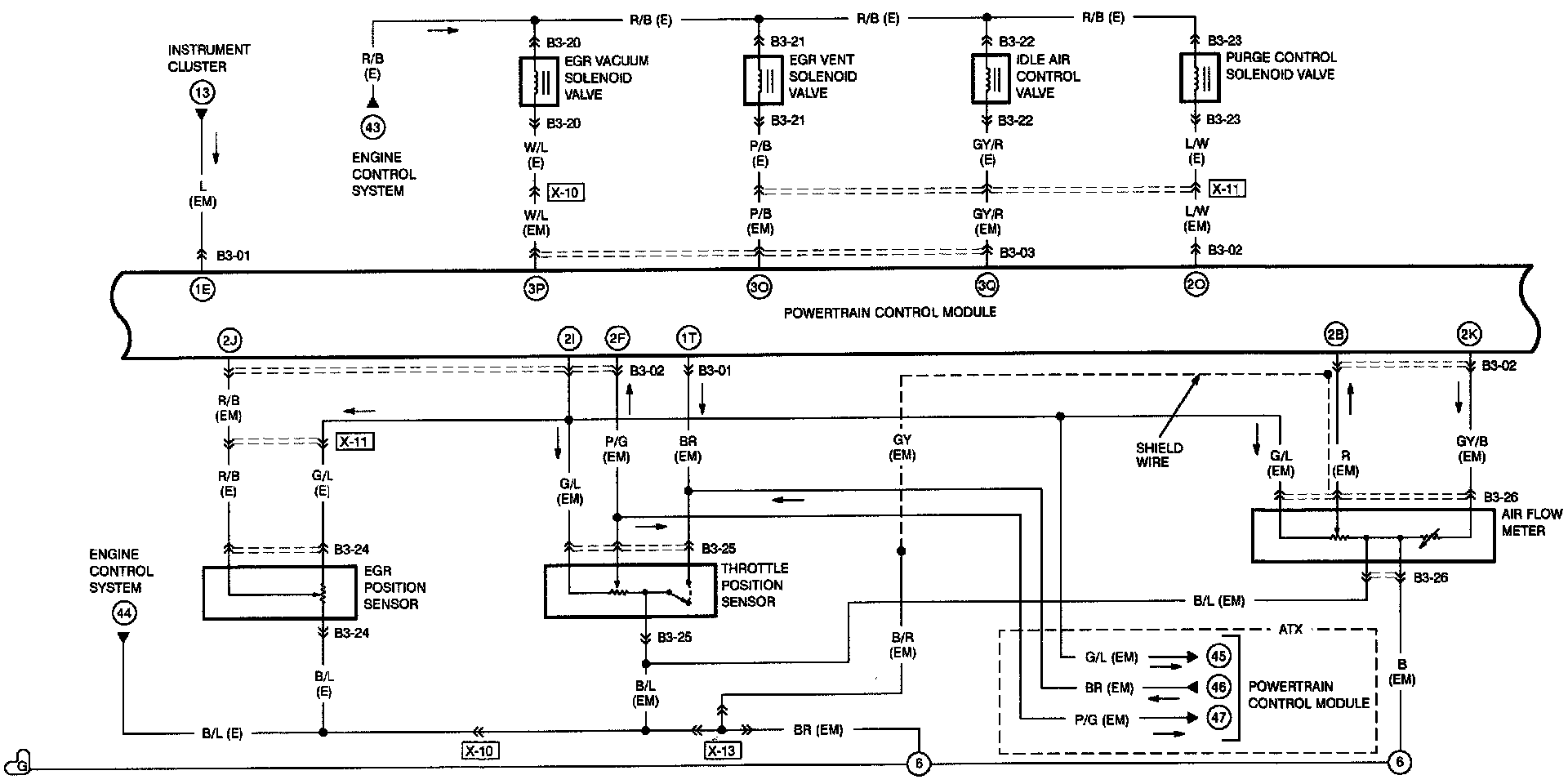
Engine Management Part 2 Of 3:
Engine Management Part 3 Of 3: