Curiosii for ever!
: Car repair manuals for everyone.
Home
>>
Mazda
>>
1993
>>
626 L4-1991cc 2.0L DOHC
>>
Repair and Diagnosis
>>
Diagrams
>>
Electrical Diagrams
>>
Central Control Module
Central Control Module
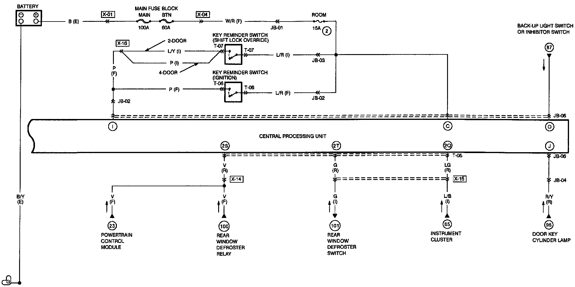
Central Processing Unit:
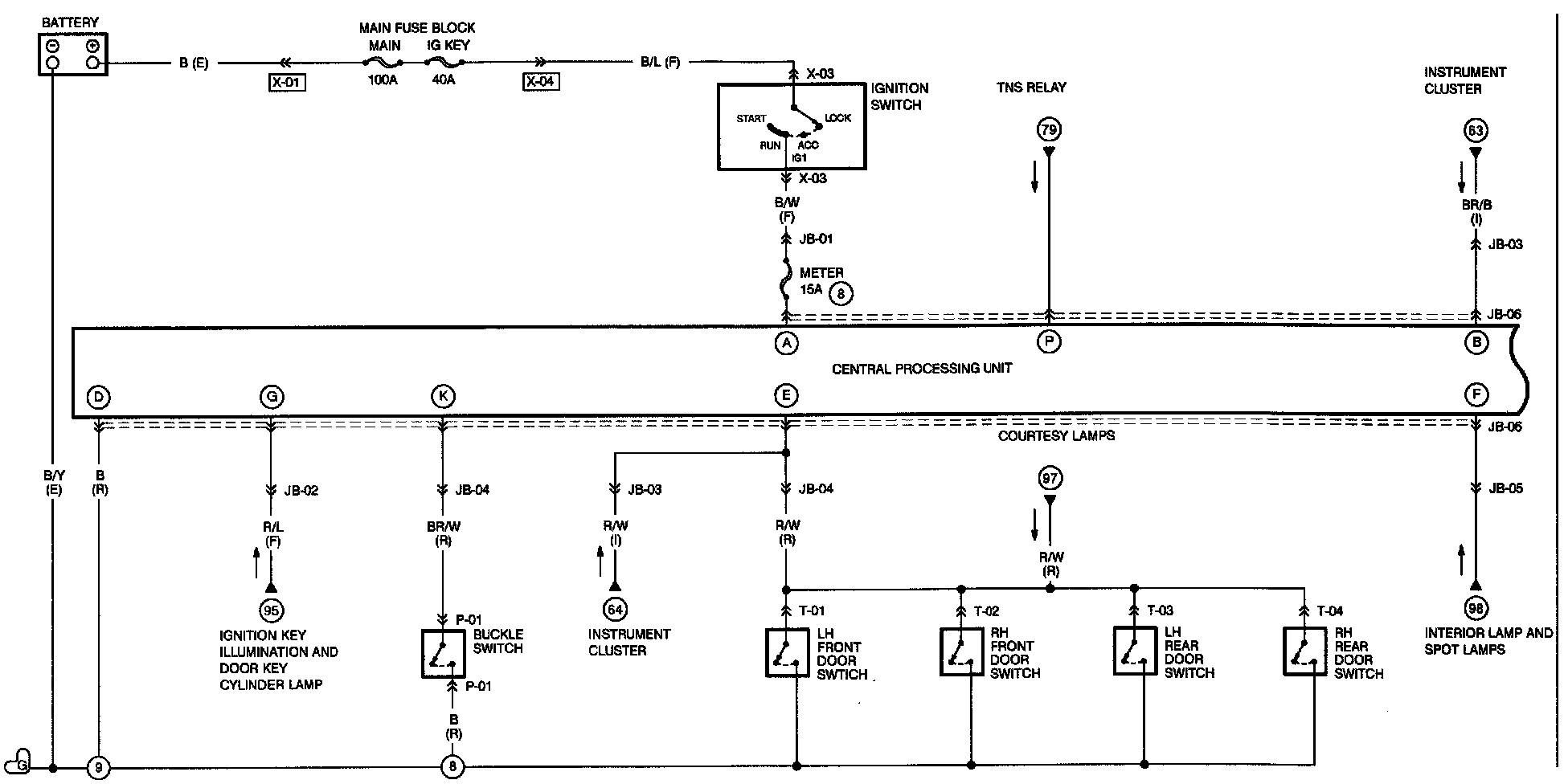
Central Processing Unit: