Curiosii for ever!: Car repair manuals for everyone.

Oxygen Sensor: Testing and Inspection

SENSOR CHECK

1. Remove right side kick panel to access ECU.
2. Start engine and run at 2,000 rpm for 3 minutes then idle.
3. Using a digital volt/ohm meter, monitor the voltage at ECU terminal 2C (right side oxygen sensor).
4. Voltage should be varying between 0.3 - 0.6 volts. If not, check for open or short to ground in wiring between sensor and ECU.
5. Disconnect oxygen sensor harness connector.

Testing Oxygen Sensor:





6. Connect voltmeter between terminals of sensor connector as shown in illustration, and monitor voltage while reving engine several times.
7. Voltage should be greater than 0.5 volt when accelerating and less than 0.4 volt when decelerating.
8. Replace oxygen sensor if voltage output is not as specified.

Testing Oxygen Sensor Heater:





9. Shut engine off, allow sensor to cool and connect DVM between oxygen sensor connector terminals "C" and "D" and measure resistance of heating element.

RESISTANCE: Approx. 13 ohms @ 68°F (20°C)

10. Replace sensor if resistance is not as specified.
11. Repeat test for left side oxygen sensor (ECU terminal 2D).

SENSOR HEATER


Oxygen Sensor Heater Check:







1. Disconnect sensor wiring harness.
2. Connect an ohmmeter across terminals "B" and "C" on sensor side.
3. Meter should show continuity. If not, replace sensor.

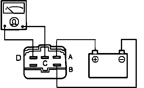
RELAY

Oxygen Sensor Relay Testing:






1. Check that a "click" is heard at the relay when ignition is switched "ON" and "OFF." (Relay is located in the left front corner of the engine compartment.)
2. Remove relay and check that continuity does not exist across terminals "C" and "D."
3. Apply 12V and a ground to terminals "A" and "B." Check that continuity exists across terminals "C" and "D."
4. If not as specified, replace relay.