Curiosii for ever!: Car repair manuals for everyone.

Transaxle Unit (Assembly)

SST:




Preparation

Precaution
1. If the drive plates or brake band are replaced with new ones, soak the new part in ATF for at least 2 hours before installation.
2. Before assembly, apply ATF to all seal rings, rotating parts, O-rings, and sliding parts.
3. All O-rings, seals, and gaskets must be replaced with the new ones included in the overhaul kit.
4. Use petroleum jelly, not grease, during reassembly.
5. When it is necessary to replace a bushing, replace the subassembly that includes that bushing.
6. Assemble the housing within 10 minutes after applying sealant, and allow it to cure at least 30 minutes after assembly before filling the transaxle with ATF.

Bearing, and race locations, Outer Diameter Of Bearing And Race:




Bearing, and race locations, Outer Diameter Of Bearing And Race

Assembly Part 1:




Assembly Part 2:




Assembly Part 3:




Assembly Part 4:




Assembly




1. Align the bearing cover with guide bolts as shown, and press it in.

Tightening torque: 10.8 - 13.7 N.m {110 - 140 kg.cm, 95.5 - 121 in.lbf}




2. Install the idler gear and output gear as an assembly by tapping in with a plastic hammer.
3. Install the bearing housing.
1. Install the bearing housing on the converter housing.




2. Align the groove on the idler shaft with the mark on the bearing housing.
3. Tap a new roll pin in with a pin punch and hammer.

Tightening torque: 19 - 25 N.m {1.9 - 2.6 kg.m, 14 - 18 ft.lbf}




4. Install the parking pawl.
1. Install the parking pawl and shaft.
2. Install the spring and snap ring.
3. Move the manual shaft and verify that the parking paw operates.




5. Install the actuator support with new bolts.

Tightening torque: 15 - 17 N.m {1.5 - 1.8 kg.m, 11 - 13 ft.lbf}




6. Install the parking assist lever.




7. Install the detent lever and return spring.




8. Install the lever holder and bolt.

Tightening torque: 7.9 - 10.7 N.m {80 - 110 kg.cm, 70 - 95.4 in.lbf}




9. Install the manual shaft and manual plate.
1. Install the manual plate, washer, and nut.
2. Tighten the nut to the specified torque.

Tightening torque: 42 - 54 N.m {4.2 - 5.6 kg.m, 31 - 40 ft.lbf}




10. Install the output shell to the output gear, and install the bearing race onto the output shell.

Thrust bearing outer diameter: 72.1 mm {2.84 in}




11. Apply a thin coat of silicone sealant to the contact surfaces of the converter housing and transaxle case.
12. Install the new O-rings.
13. Mount the transaxle case to the converter housing.

Tightening torque: 38 - 51 N.m {3.8 - 5.3 kg.m, 28 - 38 ft.lbf}

14. Install engine mount No.1.

Tightening torque: 58 - 66 N.m {5.9 - 6.8 kg.m, 43 - 49 ft.lbf}




15. Install the SST to hold the turbine shaft.

16. Install the turbine shaft and 3-4 clutch assembly.




1. Assemble the turbine shaft and 3-4 clutch assembly.




2. Verify that the thrust bearing is properly installed.
3. install the turbine shaft and 3-4 clutch assembly into the transaxle case.




17. Install the internal gear.
1. Install the internal gear to the output shell.
2. Install the snap ring.

18. Install the carrier hub assembly.




1. Verify that the thrust bearing and bearing race are properly installed.




2. Hold the turbine shaft with one hand to prevent it from rotating.
3. Install the carrier hub assembly into the 3-4 clutch drum by rotating it.




19. Install the drive and driven plates.

NOTE: Installation order:
Driven-Drive-Driven-Drive-Driven-Drive-Driven-Drive




20. Install the retaining plate.
21. Install the snap ring.




22. Install the one-way clutch 2.
1. Hold the one-way clutch 2 horizontally.
2. Install it by turning the carrier hub assembly counterclockwise.
3. Install the snap ring.




23. Install the servo into the transaxle case.
1. Install the servo spring and servo assembly.
2. Install the snap ring.




24. Install the anchor strut.






NOTE: Interlock the 2-4 brake band and anchor strut as shown.

25. Install the 2-4 brake band in the transaxle case so that it is fully expanded.
26. Install the small sun gear and one-way clutch 1.




1. Verify that the thrust bearing and bearing race are installed in the correct position.




2. Install the small sun gear and one-way clutch 1 while rotating it.

27. Install the clutch assembly.




1. Verify that the thrust bearing is installed in the correct position.




2. Install the clutch assembly while rotating it.






NOTE: Measure the height difference between the reverse and forward drum and the transaxle case.

Maximum: 0.9 mm {0.035 in}




28. Install the snap ring into the bottom ring groove of the turbine shaft.
29. Use the following procedure to adjust the total end play and select a suitable bearing race.




1. Set the thrust bearing onto the clutch assembly.




2. Remove the previously used race and gasket.
3. Set the thickest bearing race 2.2 mm {0.087 in} onto the oil pump.
4. Set the oil pump onto the clutch assembly.




5. Measure clearance A between the transaxle case and the oil pump.




6. Select a suitable bearing race from the chart below.




7. Remove the oil pump.
8. Place the selected bearing race and a new gasket onto the oil pump.
9. Install the oil pump onto the clutch assembly.

Tightening torque: 19 - 25 N.m {1.9 - 2.6 kg.m, 14 - 18 ft.lbf}




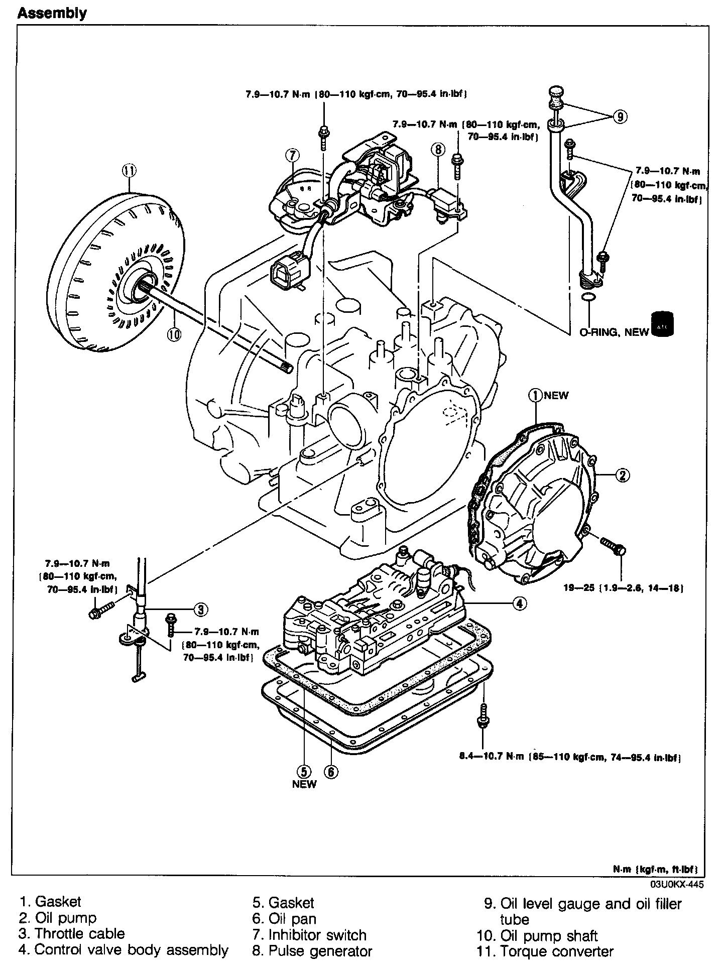
30. Install a new O-ring on the bracket; then teed the throttle cable through the transaxle case and connect it to the throttle lever.
31. Install the throttle cable bracket and attaching bolts.

Tightening torque: 7.9 - 10.7 N.m {80 - 110 kg.cm, 70 - 95.4 in.lbf}




32. Install the solenoid connector and a new O-ring in the transaxle case.




33. Install the solenoid connector.




34. Align the manual valve with the pin on the manual plate, and install the control valve body.

Tightening torque: 7.9 - 10.7 N.m {80 - 110 kg.cm, 70 - 95.4 in.lbf}

Bolt length (measured from below the head)
(A): 30 mm {1.18 in}
(B): 50 mm {1.97 ml}






NOTE: Attach the magnets inside the oil pan in the positions shown in the illustration.

35. Install a new gasket and the oil pan.

Tightening torque: 8.4 - 10.7 N.m {85 - 110 kg.cm, 74 - 95.4 in.lbf}




36. Install the pulse generator and solenoid valve connector.

Tightening torque:
Pulse generator 7.9 - 10.7 N.m {80 - 110 kg.cm, 70 - 95.4 in.lbf}

37. Install the inhibitor switch.




1. Turn the manual shaft to the N position.
2. Install the inhibitor switch and loosely tighten the bolts.
3. Remove the screw and move the inhibitor switch so that the small alignment hole is aligned with the screw hole.
4. Set the alignment by inserting a 2.0 mm [0.079 in] diameter pin through the holes.
5. Tighten the bolts to the specified torque.

Tightening torque: 7.9 - 10.7 N.m (80 - 110 kg.cm, 70 - 95.4 in.lbf}




6. Remove the pin, and install and tighten the screw to specification.

Tightening torque: 0.4 - 0.6 N.m {4 - 7 kg.cm, 4 - 6 in.lbf}

38. Install the harness with the remaining clip.

Tightening torque: 7.9 - 10.7 N.m {80 - 110 kg.cm, 70 - 95.4 in.lbf}




39. Remove the transaxle from the SST.
40. install a new O-ring and install the oil level gauge and oil filler tube to the transaxle case.

Tightening torque: 7.9 - 10.7 N.m {80 - 110 kg.cm, 70 - 95.4 in.lbf}




41. Install the oil pump shaft.
42. Install a new O-ring onto the turbine shaft.




43. Fill the torque converter with ATF if it has been drained and washed.

ATF type: M-III or Dexron(R)II

CAUTION:
- Hold the torque converter in an upright position when filling it with ATF. Do not allow the fluid to overflow.
- If the converter does not fit in easily, do not try to force it; install carefully.




44. Install the torque converter in the converter housing while rotating it to align the splines.
45. To ensure that the torque converter is installed accurately, measure distance A between the end of the torque converter and the end of the converter housing.

(A): 13.6 mm {0.535 in}