Curiosii for ever!
: Car repair manuals for everyone.
Home
>>
Mazda
>>
1991
>>
RX7 2RTR-1308cc 1.3L Turbo MFI
>>
Repair and Diagnosis
>>
Powertrain Management
>>
Computers and Control Systems
>>
Knock Sensor
>>
Locations
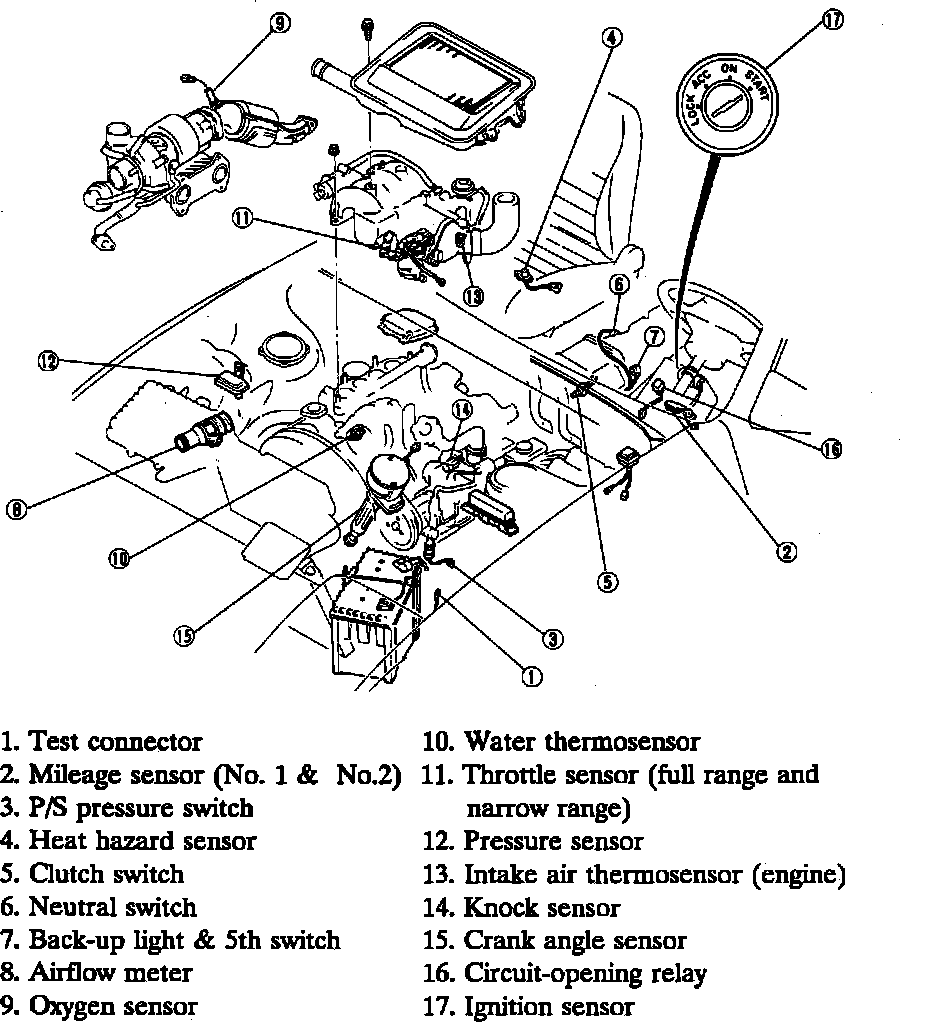
Knock Sensor: Locations
Fuel & Emission Control System Components (Input).:
LH Side Of Engine
Applicable to: Turbocharged Engine