Curiosii for ever!
: Car repair manuals for everyone.
Home
>>
Mazda
>>
1991
>>
RX7 2RTR-1308cc 1.3L MFI
>>
Repair and Diagnosis
>>
Diagrams
>>
Electrical Diagrams
>>
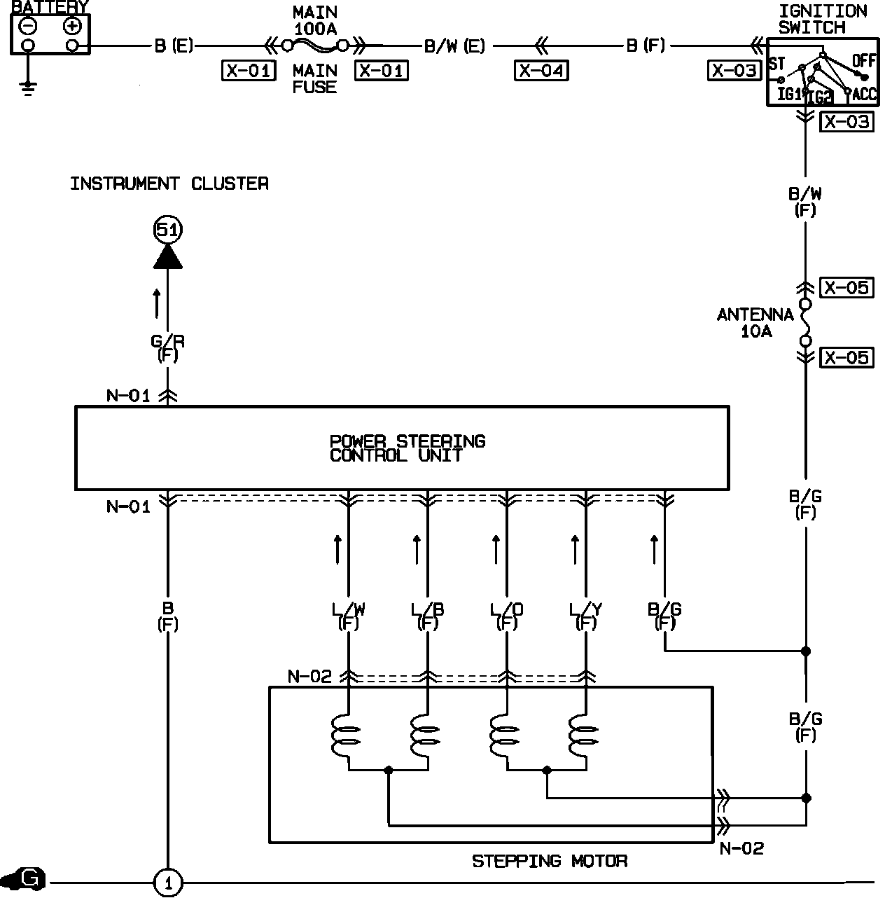
Steering Control Module
Steering Control Module
Power Steering Control System: