Curiosii for ever!
: Car repair manuals for everyone.
Home
>>
Mazda
>>
1991
>>
MX-6 L4-2184cc 2.2L SOHC Turbo F2
>>
Repair and Diagnosis
>>
Powertrain Management
>>
Computers and Control Systems
>>
Oxygen Sensor
>>
Locations
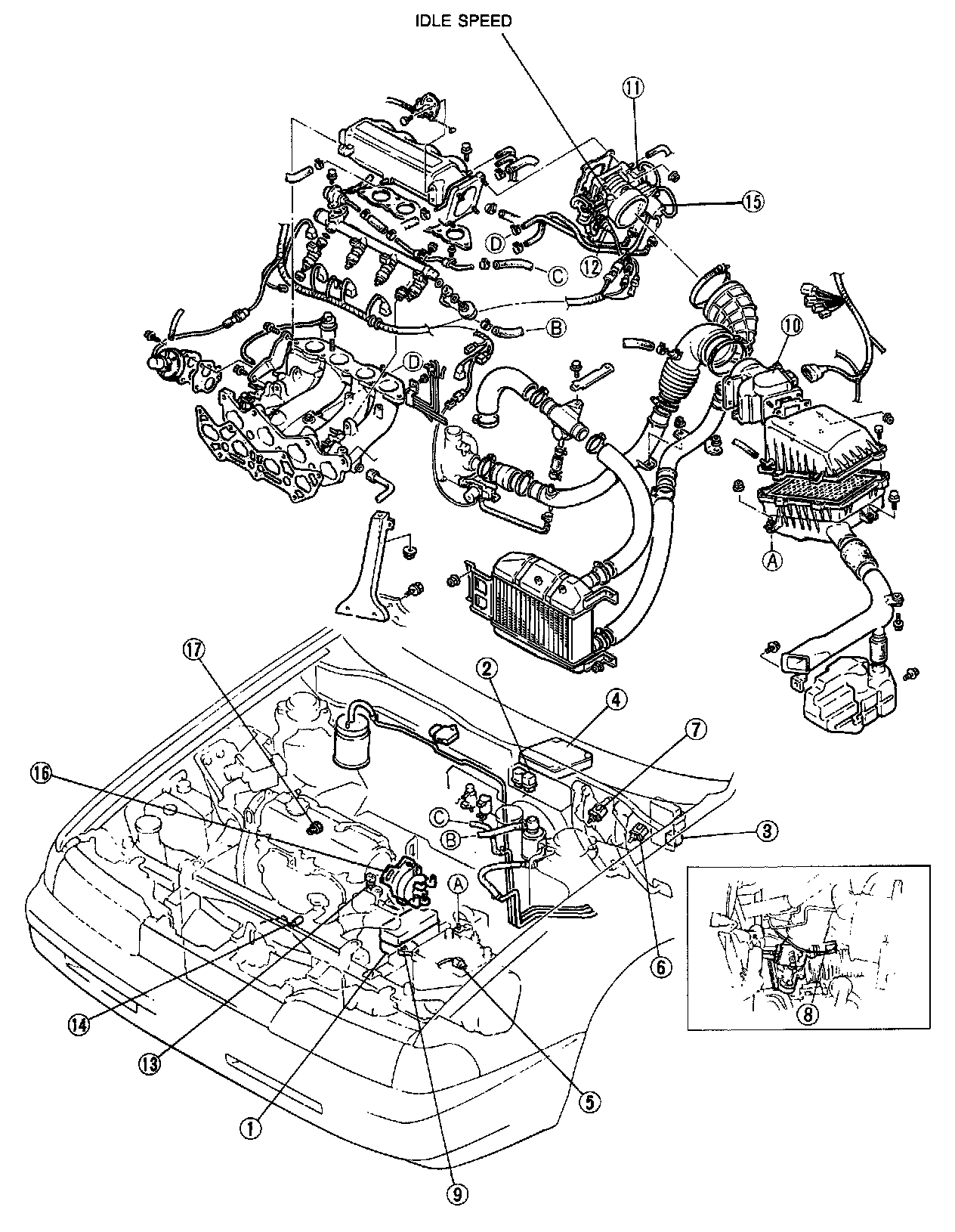
Oxygen Sensor: Locations
OXYGEN SENSOR
14.
Screwed into exhaust manifold.