Curiosii for ever!
: Car repair manuals for everyone.
Home
>>
Mazda
>>
1991
>>
MX-5 Miata L4-1597cc 1.6L DOHC
>>
Repair and Diagnosis
>>
Specifications
>>
Mechanical Specifications
>>
Engine
>>
Cylinder Head Assembly
>>
System Specifications
>>
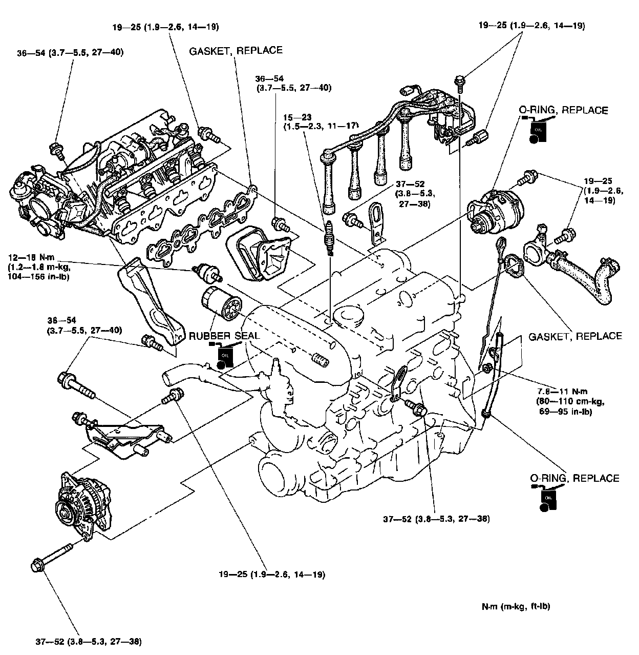
Torque Specifications
Torque Specifications
Intake:
Exhaust Manifold:
Upper Engine:
Head Torque Sequence:
Tighten the
cylinder head bolts
in two or three steps in the order shown.
Tightening torque:
76-81 Nm
(56-60 ft-lb)
Cam Bolt Torque/Sequence: