Curiosii for ever!
: Car repair manuals for everyone.
Home
>>
Mazda
>>
1991
>>
323 L4-1600 1597cc
>>
Repair and Diagnosis
>>
Specifications
>>
Mechanical Specifications
>>
Suspension
>>
System Specifications
System Specifications
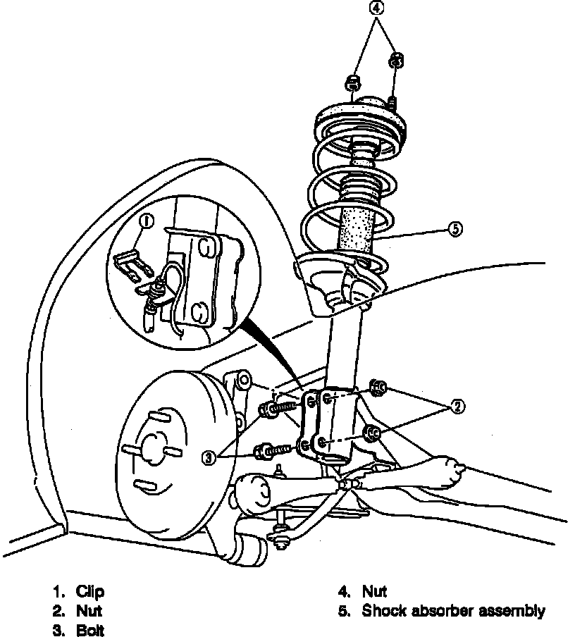
Fig. 15 Strut Replacement: