Curiosii for ever!
: Car repair manuals for everyone.
Home
>>
Mazda
>>
1991
>>
323 L4-1600 1597cc
>>
Repair and Diagnosis
>>
Powertrain Management
>>
Diagrams
>>
Electrical Diagrams
>>
Control System
>>
4WD
4WD
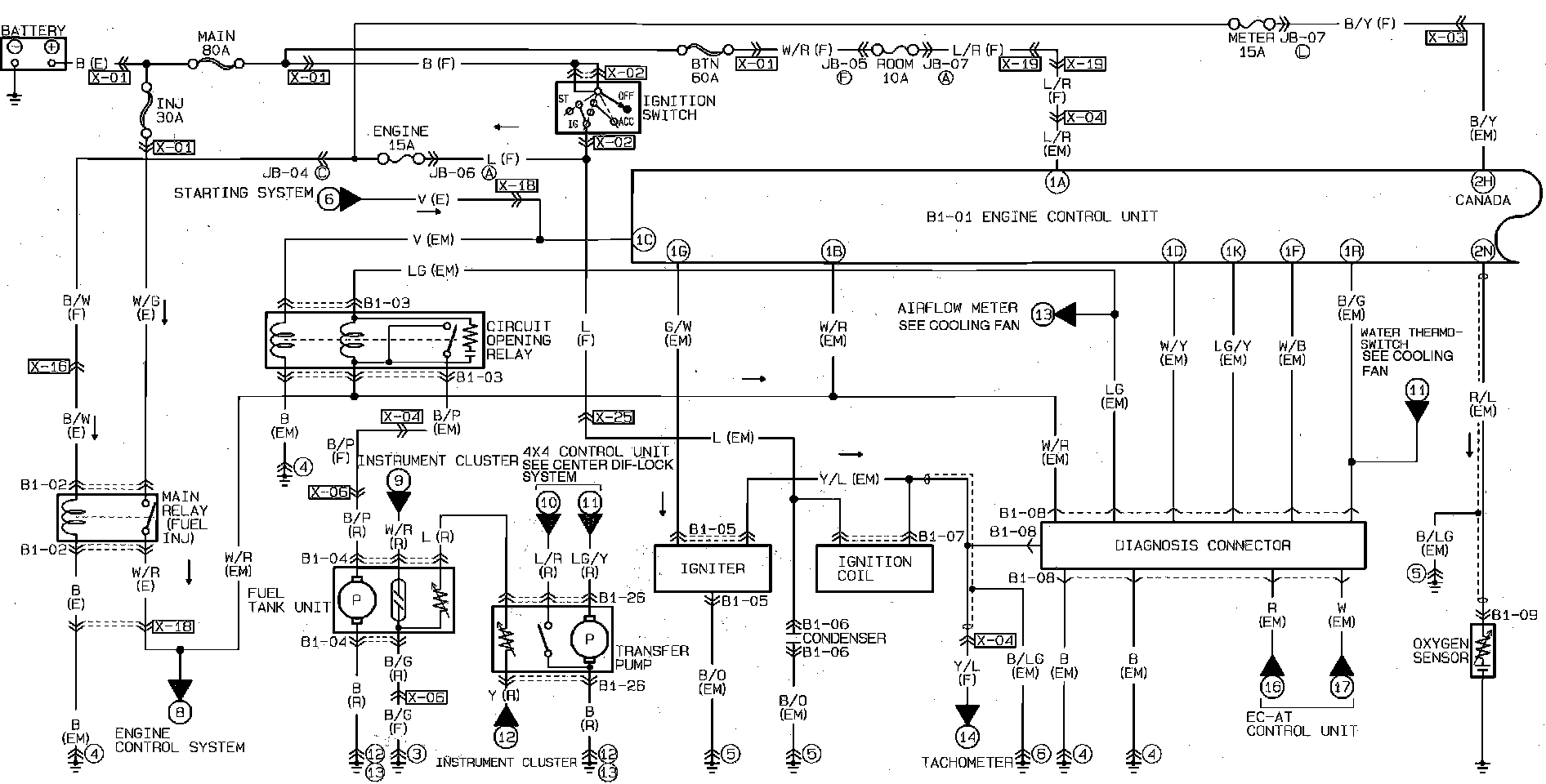
Engine Control System. 4wd:
Engine Control System. 4wd.:
Engine Control System. 4wd.: