Curiosii for ever!
: Car repair manuals for everyone.
Home
>>
Mazda
>>
1991
>>
323 L4-1600 1597cc
>>
Repair and Diagnosis
>>
Diagrams
>>
Electrical Diagrams
>>
Powertrain Management
>>
System Diagram
>>
Control System
>>
2WD
2WD
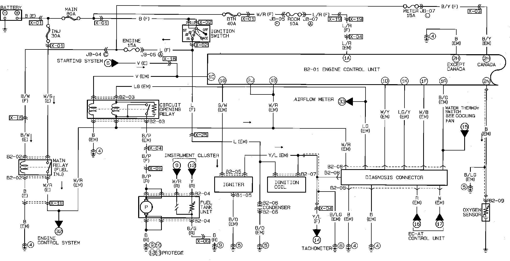
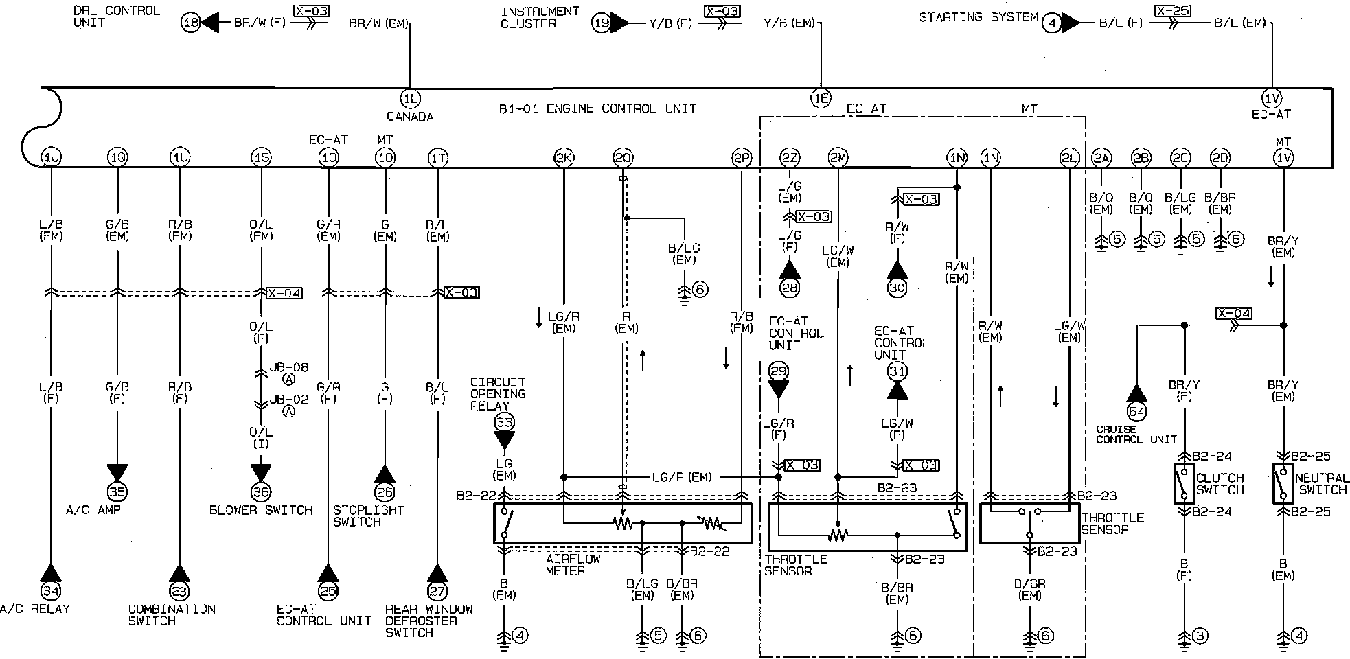
Engine Control System. 2wd.:
Engine Control System. 2wd.:
Engine Control System. 2wd.: