Curiosii for ever!
: Car repair manuals for everyone.
Home
>>
Mazda
>>
1990
>>
RX7 2RTR- 1308cc 1.3L Turbo FI
>>
Repair and Diagnosis
>>
Body and Frame
>>
Body Control Systems
>>
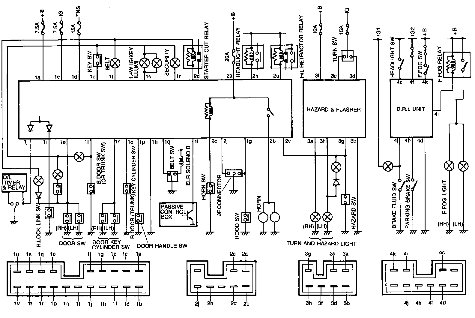
Body Control Module
>>
Diagrams
>>
Electrical Diagrams
Electrical Diagrams
Interconnecting Diagram of CPU