Curiosii for ever!: Car repair manuals for everyone.

Fuel Filter: Locations

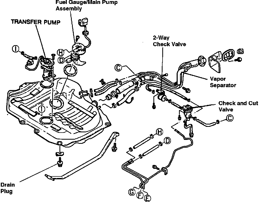
Fuel Tank Assembly:





FUEL TANK AND COMPONENTS (W/4 WHEEL STEERING)

Fuel Tank Assembly:





FUEL TANK AND COMPONENTS (W/OUT 4 WHEEL STEERING)

Component Locations:





UNDER HOOD COMPONENTS


AIR BYPASS VALVE
On the intake air hose between the turbocharger and intercooler.

BYPASS AIR CONTROL (BAC) VALVE
On the throttle body

CHECK AND CUT VALVE
Mounted under the body, near the fuel tank.

FUEL FILTER
In the left rear of the engine compartment.

FUEL INJECTORS
Mounted between the fuel rail and intake manifold, beneath the intake manifold dynamic chamber.


FUEL PRESSURE REGULATOR
Mounted on one end of the fuel rail.


FUEL PUMP
In the fuel tank.


FUEL PUMP RELAY (CIRCUIT OPEN RELAY)
Plugged into the "CPU and Joint Box" under the dashboard, near the drivers side kick panel.


FUEL RAIL (DELIVERY PIPE)
Mounted on the intake manifold where the manifold bolts to the cylinder head.


FUEL TRANSFER PUMP (MODELS W/4 WHEEL STEERING ONLY)
In the fuel tank.


FUEL TRANSFER PUMP CONTROL UNIT
In the trunk, beneath the rear window deck.


INTERCOOLER
Mounted next to the radiator, on the left side of the engine compartment.


PULSATION DAMPER
Mounted on the end of the fuel rail, opposite the pressure regulator.


THROTTLE BODY
Mounted on the inlet to the intake manifold dynamic chamber.


TURBOCHARGER
Mounted to the outlet from the exhaust manifold.


WASTEGATE
Integral part of the turbocharger.