Curiosii for ever!
: Car repair manuals for everyone.
Home
>>
Mazda
>>
1990
>>
626 L4-2184cc 2.2L SOHC F2
>>
Repair and Diagnosis
>>
Powertrain Management
>>
Computers and Control Systems
>>
Diagrams
>>
Electrical Diagrams
>>
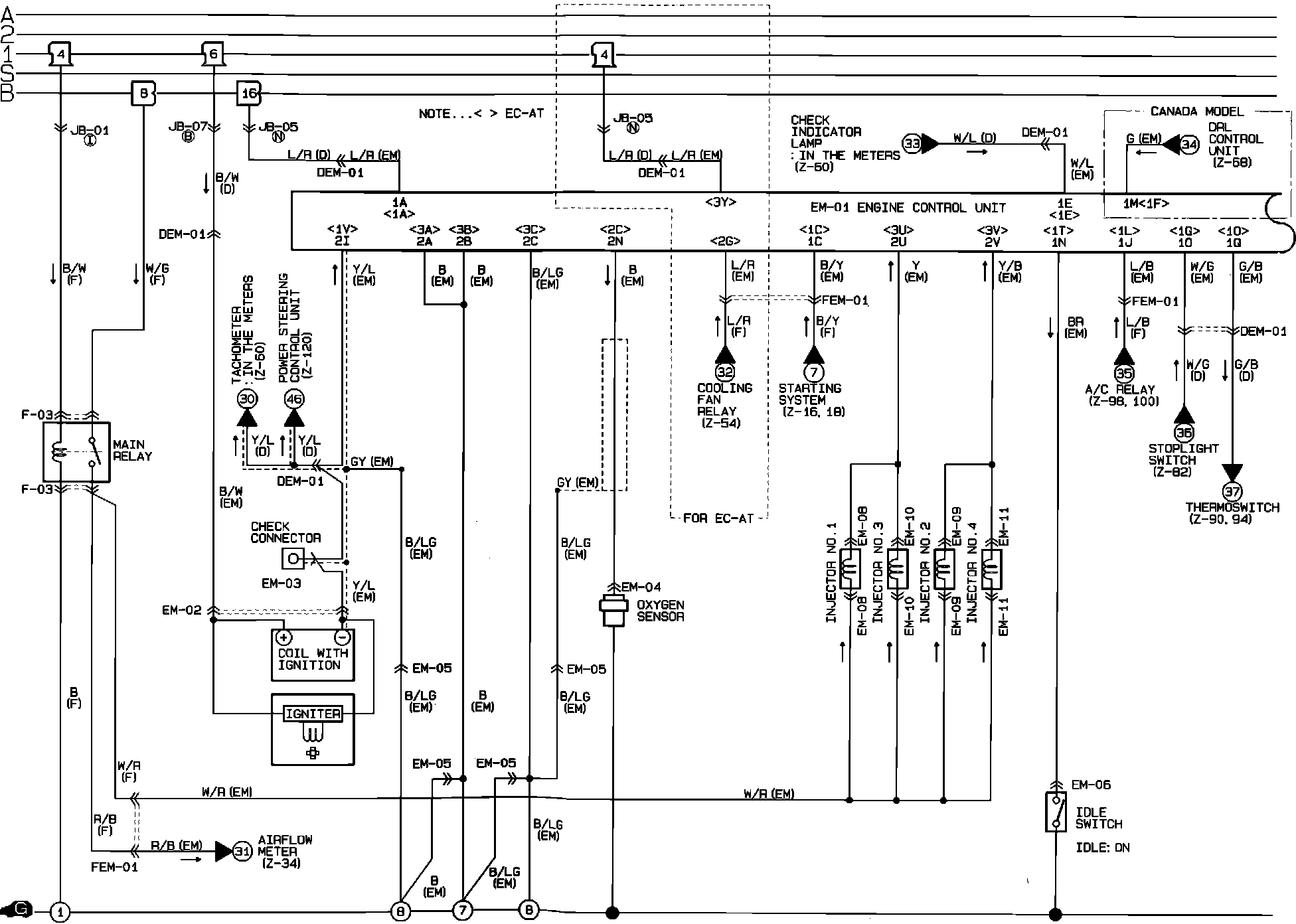
Engine Control System
Engine Control System
Ignition & Engine Control System. Non-Turbo: