Curiosii for ever!: Car repair manuals for everyone.

Timing Belt: Service and Repair

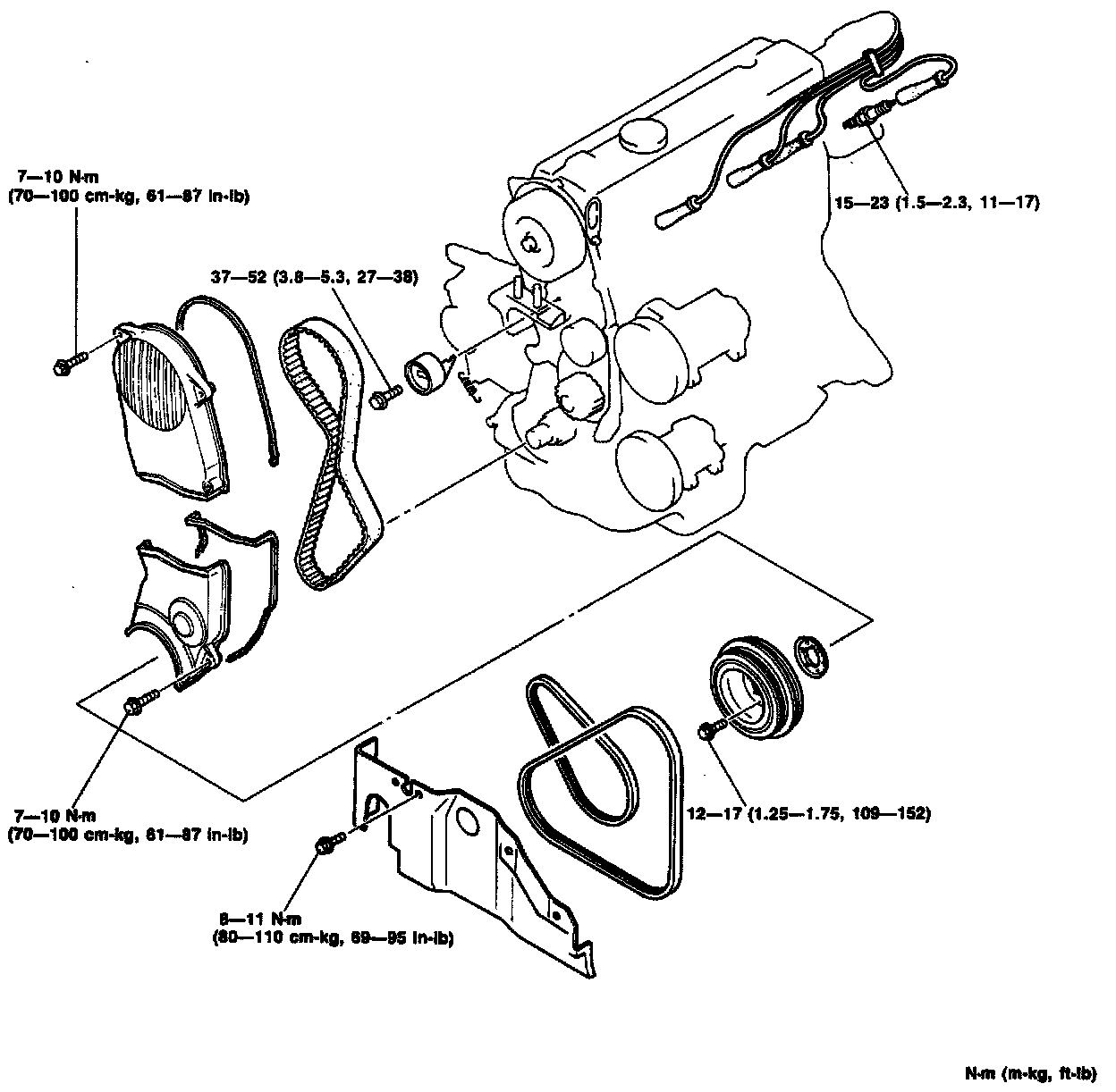
REMOVAL

1. Disconnect the negative battery cable.





2. Remove in the sequence shown in the image above for the specialty marked parts referring to removal note below.

Removal Note:
- Timing belt tensioner:





a. Turn the crankshaft to align the "1" mark of the camshaft pulley with the front housing timing mark.
b. Remove the tensioner.
- Timing belt:





a. Mark the timing belt rotation for proper reinstallation if it is reused.
b. Be careful not to allow oil, grease, or water on the belt.

INSTALLATION

- Install in the reverse order of removal, referring to installation note.





Tightening Torque

Installation Note:

1. Timing Belt:





a. Check that the mark on the timing belt pulley is aligned with the mating mark.





b. Check that the "1" mark of the camshaft pulley is aligned with the timing mark. If it is not aligned, turn the camshaft to align.





c. Install the timing belt tensioner and spring. Temporarily secure it with the spring fully extended.





d. Install the timing belt so that there is no looseness at the water pump pulley and idler pulley side.

CAUTION:
- If the timing belt is being reused, it must be reinstalled to rotate in the original direction.
- Check that there is no oil, grease, or dirt on the timing belt.


Note: Remove all spark plugs for easier rotation.





e. Turn the crankshaft twice in the direction of rotation, and align the mating marks.
f. Check that the timing marks are correctly aligned. If not, repeat above mentioned procedure.
g. Loosen the tensioner lock bolt.





h. Tighten the timing belt tensioner lock bolt.

Tightening torque: 37-52 N.m (3.8-5.3 m-kg, 27-38 ft-lb)

i. Turn the crankshaft twice in the direction of rotation, and align the matching marks.





i. Check the timing belt deflection. If the deflection is not correct, repeat the adjustment from step d above.

Timing belt deflection with 98N (10kg, 22 lb) force:
- New: 8.0 - 9.0 mm (0.31 - 0.35 in)
- Used: 9.0 - 10.0 mm (0.35 - 0.39 in)


CAUTION: Be sure not to apply tension other than that of the tensioner spring.





2. Baffle Plate:
- Install the baffle plate as shown in the image.





3. Drive belt:
- Install each drive belt, and check the belt deflection.





4. Spark plug:
- Apply anti-seize compound or molybdenum-based lubricant to the spark plug threads.
- Install the spark plugs.

Tightening torque: 15-23 Nm (1.5-2.3 m-kg, 11-17 ft-lb)





5. Steps after installation:
- Perform the necessary engine adjustments.