Curiosii for ever!
: Car repair manuals for everyone.
Home
>>
Mazda
>>
1989
>>
RX7 2RTR- 1308cc 1.3L FI
>>
Repair and Diagnosis
>>
Powertrain Management
>>
Transmission Control Systems
>>
Relays and Modules - Transmission and Drivetrain
>>
Relays and Modules - A/T
>>
Control Module
>>
Diagrams
>>
Electrical Diagrams
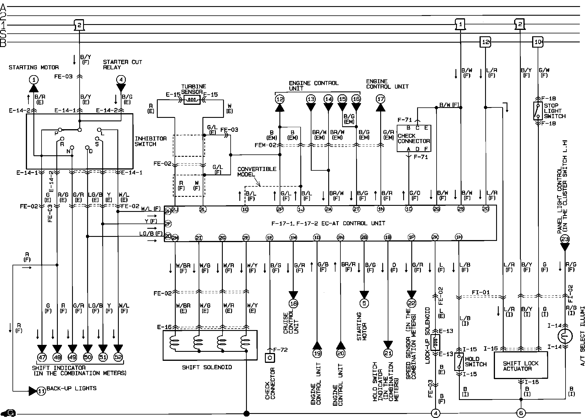
Electrical Diagrams
Electrically Control Automatic Transaxle & Shift Lock System (EC-AT):