Curiosii for ever!
: Car repair manuals for everyone.
Home
>>
Mazda
>>
1989
>>
MX-6 L4-2184cc 2.2L SOHC F2
>>
Repair and Diagnosis
>>
Powertrain Management
>>
Transmission Control Systems
>>
Relays and Modules - Transmission and Drivetrain
>>
Relays and Modules - A/T
>>
Control Module
>>
Diagrams
>>
Electrical Diagrams
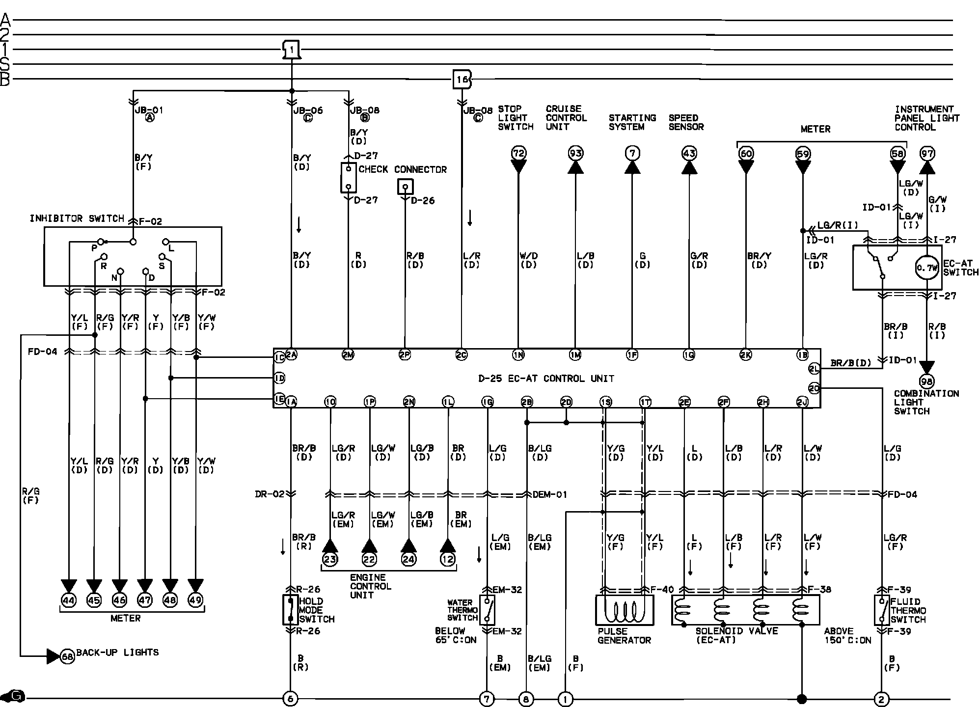
Electrical Diagrams
Electrically Control Automatic Transaxle (EC-AT):