Curiosii for ever!: Car repair manuals for everyone.

Oxygen Sensor Relay: Testing and Inspection

1. Check that a "clicking" sound is heard at the oxygen sensor relay when turning the ignition switch OFF and ON.

Testing Relay:





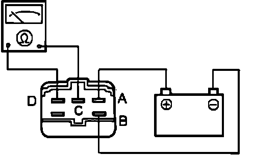
2. Apply 12 volts and a ground to relay terminals "A" and "B".
3. Check for continuity at relay terminals "C" and "D" with an ohmmeter. With 12 volts applied at terminals "A" and "B", there should be continuity between terminals "C" and "D". With the voltage removed, there should no longer be continuity between the two terminals.