Curiosii for ever!
: Car repair manuals for everyone.
Home
>>
Mazda
>>
1989
>>
929 V6-3.0L SOHC
>>
Repair and Diagnosis
>>
Diagrams
>>
Electrical Diagrams
>>
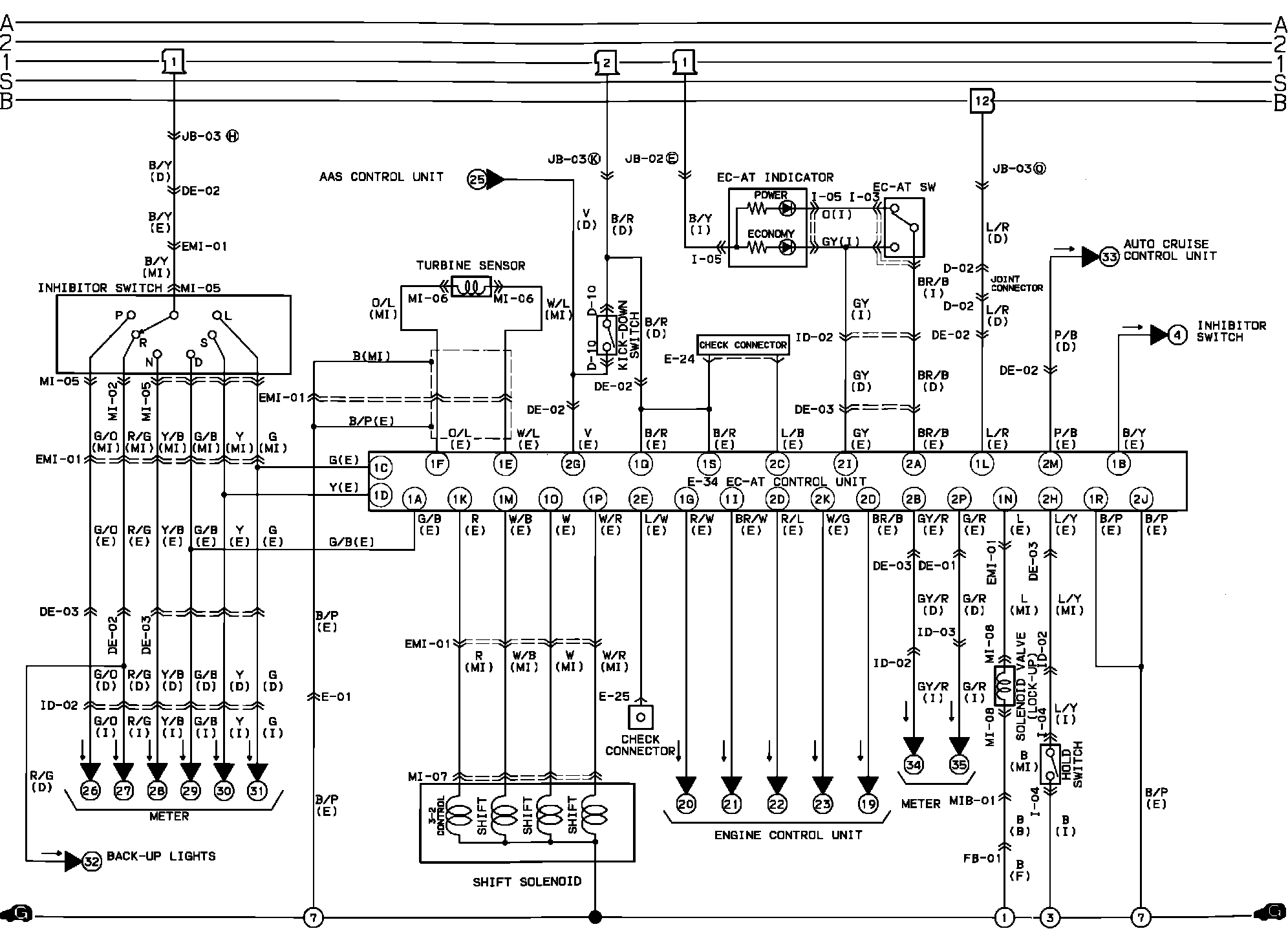
Control Module, A/T
Control Module, A/T
Electrically Control Automatic Transaxle (EC-AT):