Curiosii for ever!: Car repair manuals for everyone.

Manual Transmission/Transaxle

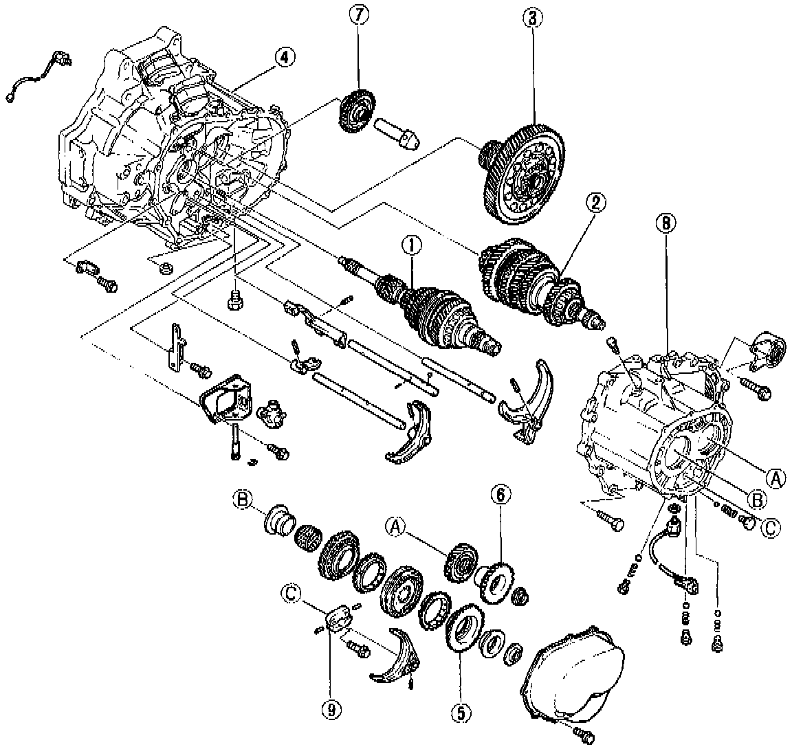
H-Type Transaxle:





1. Primary Shaft Gear Assembly
2. Secondary Shaft Gear Assembly
3. Differential Assembly
4. Clutch Housing
5. Primary Reverse Synchronizer Gear
6. Secondary Reverse Synchronizer Gear
7. Reverse Idle Gear
8. Transaxle Case
9. Interlock Plate