Curiosii for ever!
: Car repair manuals for everyone.
Home
>>
Mazda
>>
1989
>>
626 L4-2184cc 2.2L SOHC Turbo F2
>>
Repair and Diagnosis
>>
Diagrams
>>
Electrical Diagrams
>>
Powertrain Management
>>
Computers and Control Systems
>>
System Diagram
>>
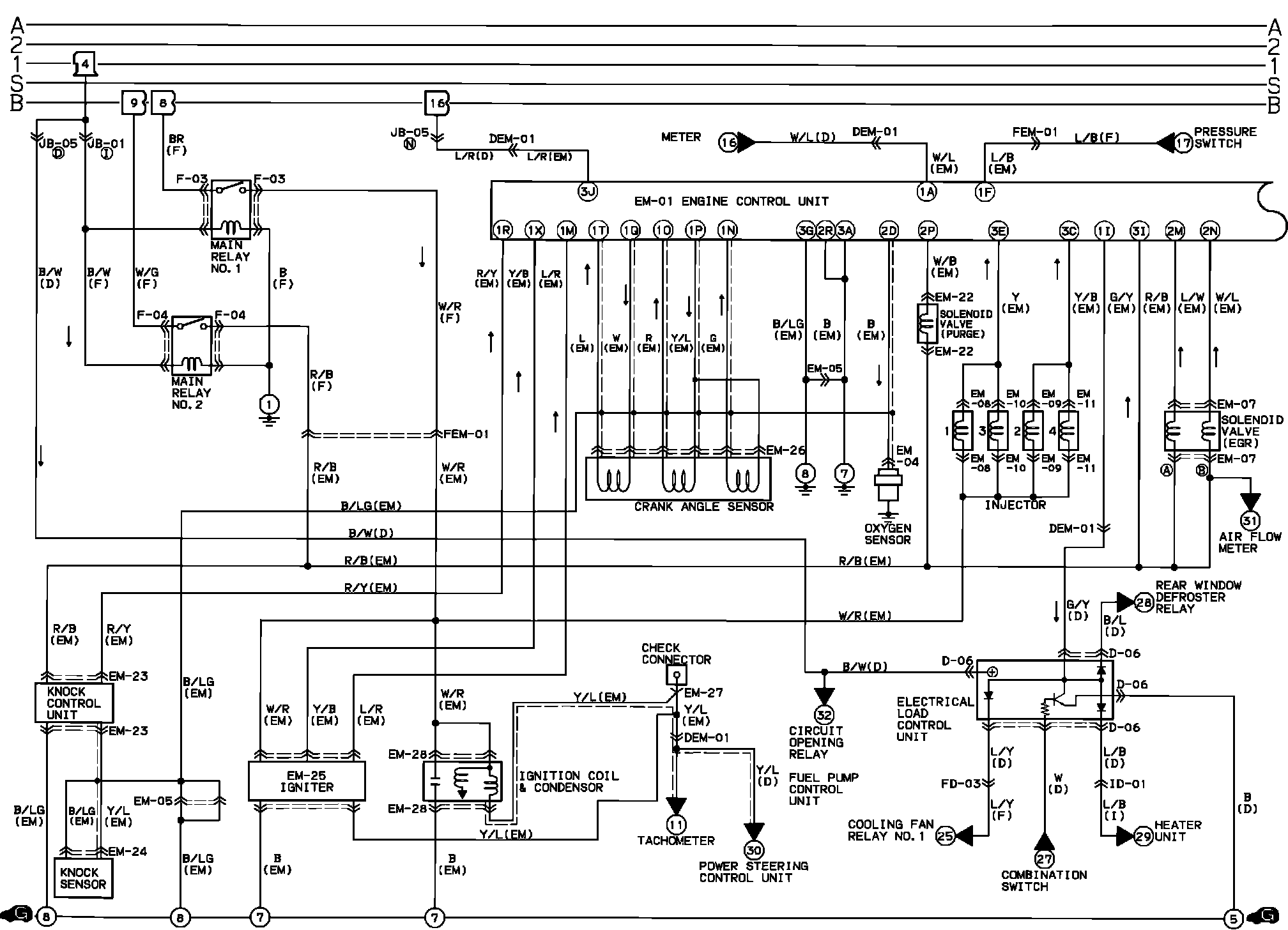
Engine Control System
Engine Control System
Fuel Injection & Ignition System. Turbo: